EasyManua.ls Logo

Micom P634 - Page 282

Micom P634
840 pages
Print Icon
To Next Page IconTo Next Page
To Next Page IconTo Next Page
To Previous Page IconTo Previous Page
To Previous Page IconTo Previous Page
Loading...
D5Z52FBA
Signal 1 EXT
[ AAA AAA ]
INP:
Fct. assignm. U xxx
[ xxx xxx ]
Address BBB BBB
Address BBB BBB
Address AAA AAA
Address AAA AAA
INP:
Fct. assignm. U xxx
[ xxx xxx ]
LOGIC:
Sig.assig. outp. 1
[ 044 000 ]
LOGIC:
Sig.assig.outp. 1(t)
[ 044 001 ]
-Uxxx
-Uxxx
Signal 1 EXT
[ AAA AAA ]
Signal 2 EXT
[ BBB BBB ]
Signal 3 EXT
[ CCC CCC ]
Signal n EXT
[ NNN NNN ]
LOGIC:
Output 01
[ 042 032 ]
LOGIC:
Output 01 (t)
[ 042 033 ]
Signal 2 EXT
[ BBB BBB ]
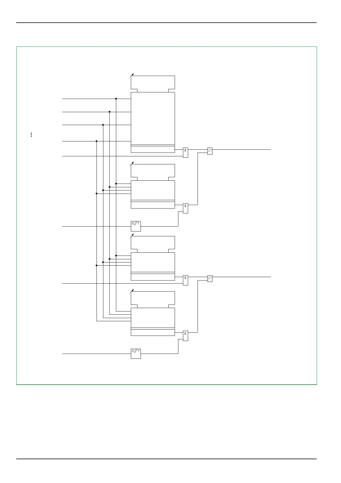
Fig. 3-182: Signal assignment to outputs of Boolean equations. (This diagram is also valid for LOG_2, if the
parameters from LOGIC are replaced by the corresponding ones from LOG_2 .)
P634
3 Operation
3-226 P634/EN M/R-42-A // P634311653

Table of Contents

Related product manuals