EasyManua.ls Logo

Motorola MPC823e - Page 937

Motorola MPC823e
1353 pages
Print Icon
To Next Page IconTo Next Page
To Next Page IconTo Next Page
To Previous Page IconTo Previous Page
To Previous Page IconTo Previous Page
Loading...
Communication Processor Module
MOTOROLA MPC823e REFERENCE MANUAL 16-483
PORTS
COMMUNICATION
16
PROCESSOR MODULE
PA7 can be configured as a general-purpose I/O pin, but not an open-drain pin. If the
corresponding PADIR bit is a zero, it can also be the CLK1 pin, the TIN1 pin, the L1RCLKA
pin, or all three at once. There is nothing to select other than these three inputs in port A
because the connections are made separately in the serial interface and timer mode
registers. If the PADIR bit is a 1, this pin can also be the BRGO1 pin. If the PA7 pin is a
general-purpose I/O pin, then the input to the on-chip peripheral is internally connected to
BRG01. Refer to Section 16.7 The Serial Interface with Time-Slot Assigner for more
details about using the CLK1 and L1RCLKA pins.
PA4 can be configured as a general-purpose I/O pin, but not an open-drain pin. If the PADIR
bit is zero, PA4 can also be the CLK4 pin, TIN4 pin, L1TCLKB pin or all three at once. If the
PADIR bit is a 1, PA4 can be the TOUT2
pin. If the PA4 pin is a general-purpose I/O pin,
then the input to the on-chip CLK4 function is grounded. Refer to Section 16.7 The Serial
Interface with Time-Slot Assigner for more details.
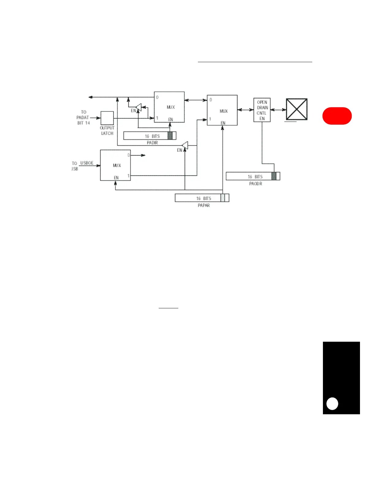
Figure 16-134. Parallel Block Diagram For PA14
USBOE/PA14
PIN
USBOE/PA14
PIN

Table of Contents

Related product manuals