EasyManua.ls Logo

Omron NX Series - Page 69

Omron NX Series
464 pages
Print Icon
To Next Page IconTo Next Page
To Next Page IconTo Next Page
To Previous Page IconTo Previous Page
To Previous Page IconTo Previous Page
Loading...
STP
(S
hield)
STP
(Shield)
Ethernet switch
GR
terminal
Connector
Connector
Connector
Connector
Connector
Clamp core
EtherNet/IP port
EtherNet/IP port
Connect shield to connector hood
Do not connect shield to connector hood
CPU Unit
NX-series
EtherNet/IP Unit
CPU Unit
NX-series
EtherNet/IP Unit
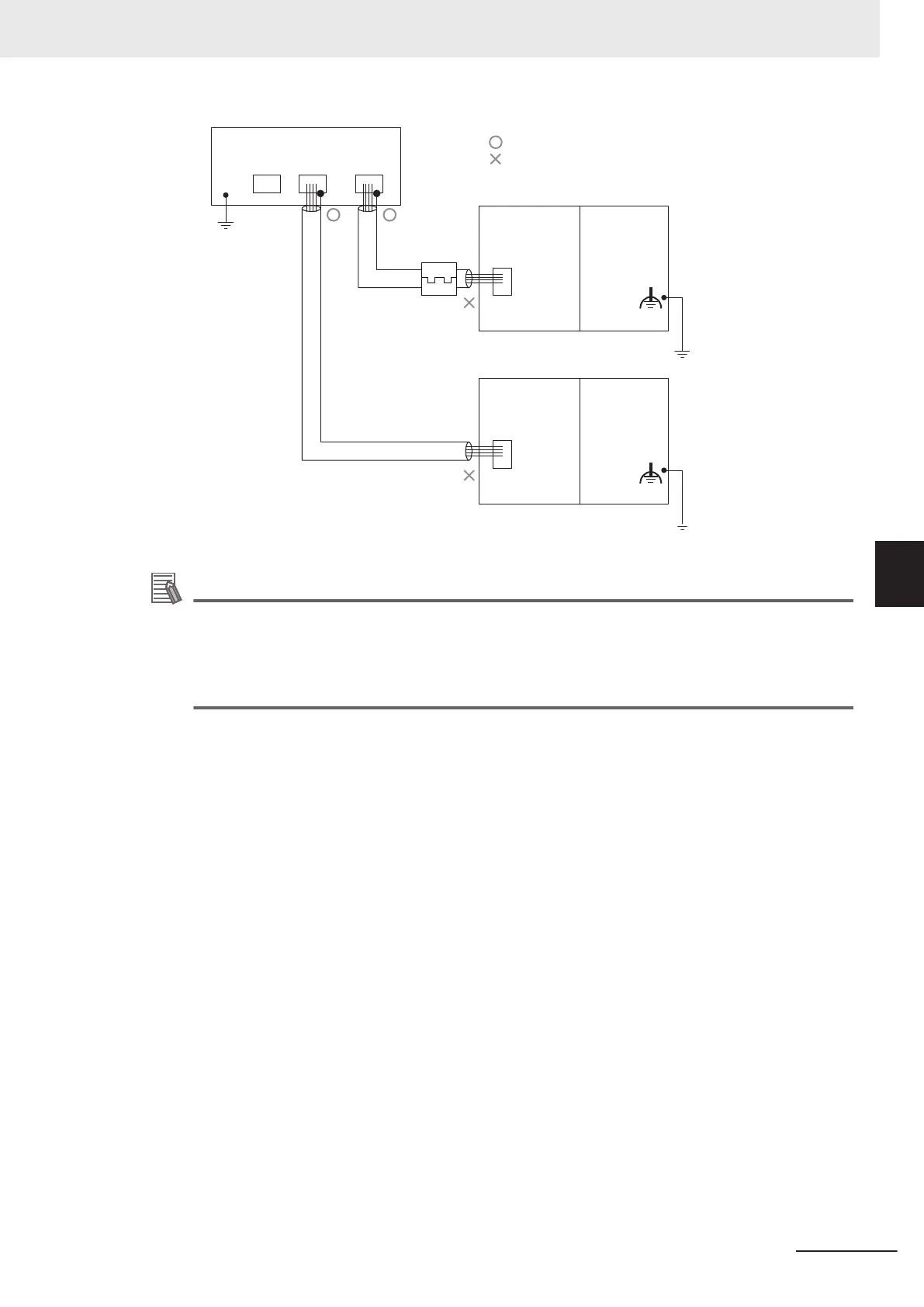
Additional Information
Noise immunity may be reduced and device damage may occur due to ground loops, which
may be caused by improper shield connections and grounding methods.
When using a baud rate of 100 Mbps or less, it may be possible to alleviate this problem by
connecting the shield only at the Ethernet switch side as described in (2), rather than connect-
ing both ends as described in (1).
1000Base-T
Connect the shields to respective connector hoods at both ends of the cables.
This connection is required for 1000Base-T to ensure compliance with EMC standards.
5 Installing Ethernet Networks
5-9
NX-series EtherNet/IP Unit User's Manual (W627)
5-2 Network Installation
5
5-2-3 Precautions When Laying Twisted-pair Cable

Table of Contents

Other manuals for Omron NX Series

Related product manuals