EasyManua.ls Logo

Philips LPC2101 - Page 54

Philips LPC2101
279 pages
Print Icon
To Next Page IconTo Next Page
To Next Page IconTo Next Page
To Previous Page IconTo Previous Page
To Previous Page IconTo Previous Page
Loading...
© Koninklijke Philips Electronics N.V. 2006. All rights reserved.
User manual Rev. 01 — 12 January 2006 54
Philips Semiconductors
UM10161
Volume 1 Chapter 5: VIC
I- Reserved 20-
25
0x0010 0000
0x0200 0000
TIMER2 Match 0 - 2 (MR0, MR1, MR2)
Capture 0 - 2 (CR0, CR1, CR2)
26 0x0400 0000
TIMER3 Match 0 - 3 (MR0, MR1, MR2, MR3) 27 0x0800 0000
Table 57: Connection of interrupt sources to the Vectored Interrupt Controller (VIC)
Block Flag(s) VIC Channel # and Hex
Mask
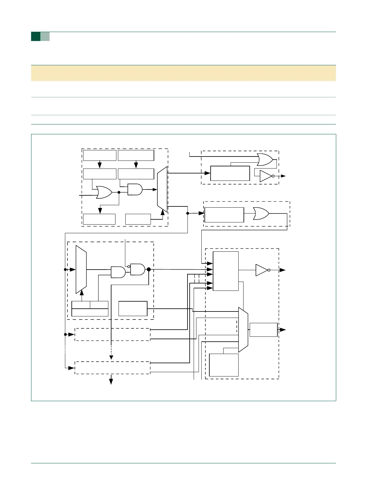
Fig 13. Block diagram of the Vectored Interrupt Controller (VIC)
FIQSTATUS
[31:0]
VECTIRQ0
HARDWARE
PRIORITY
LOGIC
IRQSTATUS
[31:0]
nVICFIQ
NonVectIRQ
non-vectored IRQ interrupt logic
priority 0
nVICIRQ
VECTADDR0[31:0]
VECTIRQ1
VECTIRQ15
VECTADDR1[31:0]
VECTADDR15[31:0]
IRQ
address select
for
highest priority
interrupt
VECTORADDR
[31:0]
VICVECT
ADDROUT
[31:0]
DEFAULT
VECTORADDR
[31:0]
priority14
priority15
priority2
priority1
VECTORADDR
[31:0]
SOURCE
VECTORCNTL[5:0]
ENABLE
vector interrupt 0
vector interrupt 1
vector interrupt 15
RAWINTERRUPT
[31:0]
INTSELECT
[31:0]
SOFTINT
[31:0]
INTENABLE
[31:0]
SOFTINTCLEAR
[31:0]
INTENABLECLEAR
[31:0]
VICINT
SOURCE
[31:0]
IRQSTATUS[31:0]
FIQSTATUS[31:0]
nVICFIQIN
non-vectored FIQ interrupt logic
interrupt priority logic
interrupt request, masking and selection
nVICIRQIN
VICVECTADDRIN[31:0]
IRQ

Table of Contents

Related product manuals