EasyManua.ls Logo

Samsung S3F84B8 - Page 28

Samsung S3F84B8
322 pages
Print Icon
To Next Page IconTo Next Page
To Next Page IconTo Next Page
To Previous Page IconTo Previous Page
To Previous Page IconTo Previous Page
Loading...
S3F84B8_UM_REV 1.00 1 OVERVIEW OF S3F84B8 MICROCONTROLLER
1-11
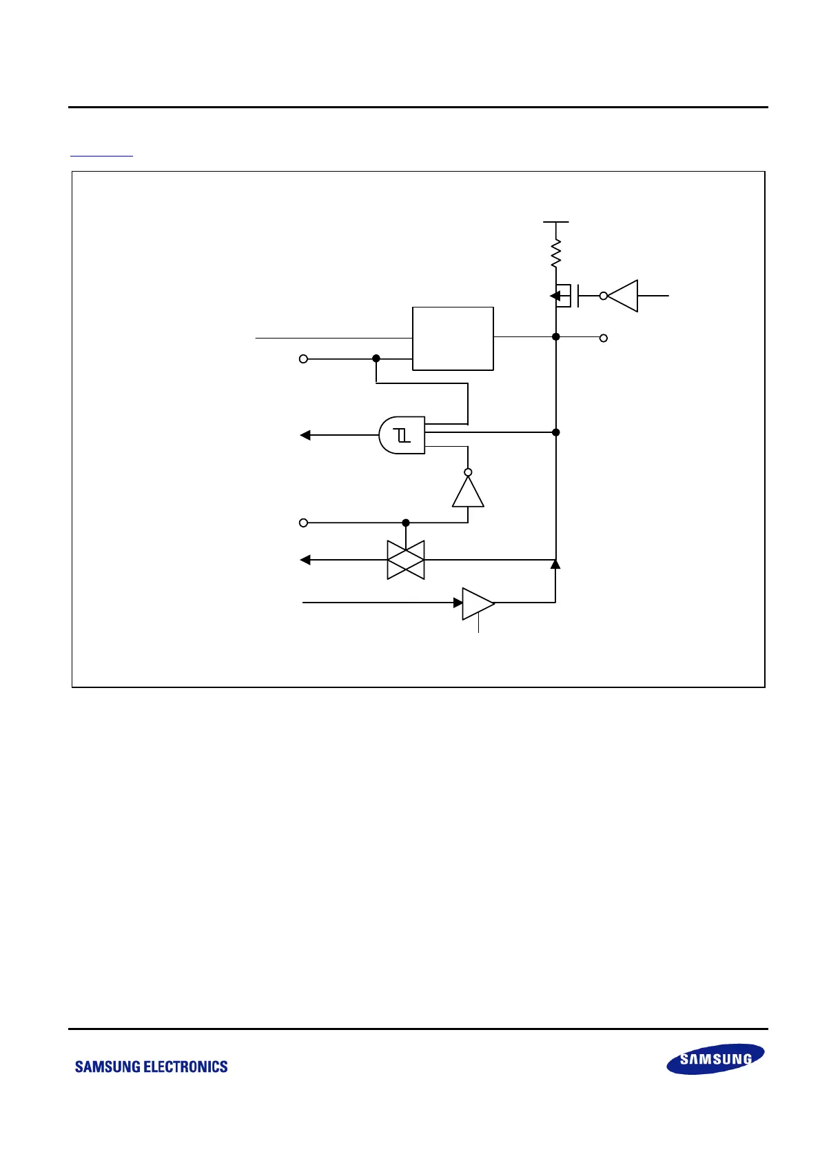
Figure 1-6 shows the Pin Circuit Type 1-2 (P2.3) in S3F84B8.
VDD
I/O
Digital Input
Pull-up
enable
Output Disable
(Input Mode)
Data
Analog Input
Enable
Analog Input
Pin Type 1
OPA output
OPA Enable Bit
Figure 1-6 Pin Circuit Type 1-2 (P2.3)

Table of Contents

Other manuals for Samsung S3F84B8

Related product manuals