EasyManua.ls Logo

Servotronix CDHD Series - Page 67

Servotronix CDHD Series
292 pages
Print Icon
To Next Page IconTo Next Page
To Next Page IconTo Next Page
To Previous Page IconTo Previous Page
To Previous Page IconTo Previous Page
Loading...
CDHD Wiring
User Manual 67
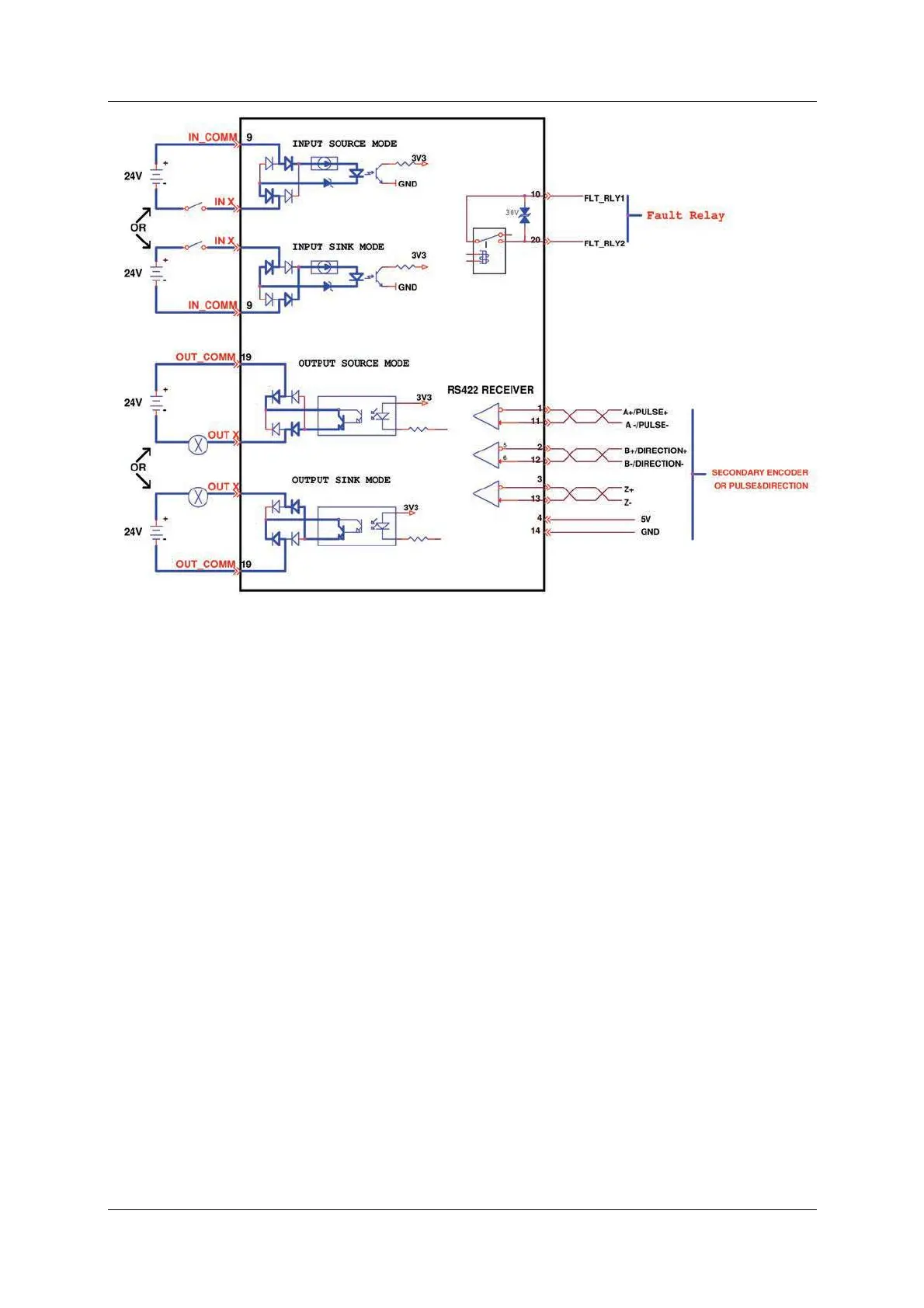
Figur e 4 - 3 2 . Machin e I nte r face W ir ing Diagra m EC M ode ls

Table of Contents

Other manuals for Servotronix CDHD Series

Related product manuals