EasyManua.ls Logo

Servotronix CDHD Series - CDHD Machine Interface Wiring

Servotronix CDHD Series
292 pages
Print Icon
To Next Page IconTo Next Page
To Next Page IconTo Next Page
To Previous Page IconTo Previous Page
To Previous Page IconTo Previous Page
Loading...
Wiring CDHD
66 User Manual
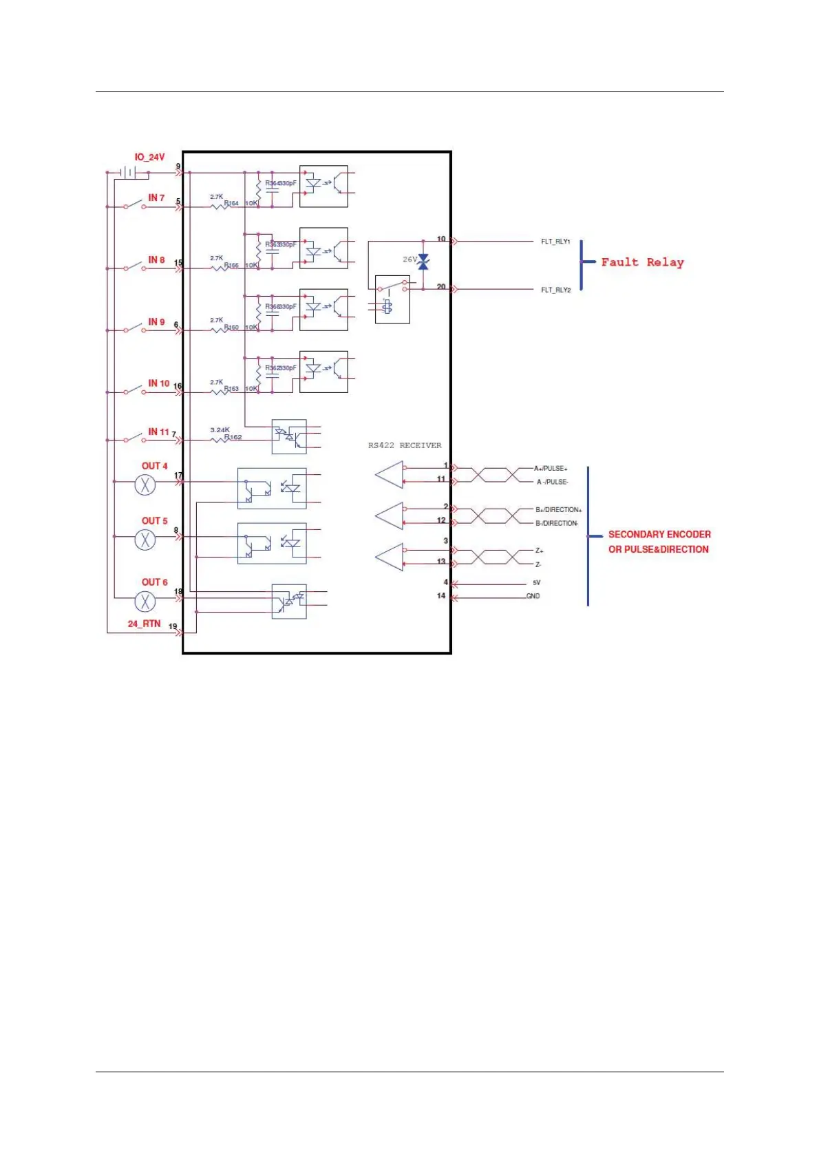
4 .9 Ma chine I nt e r fa ce W iring
Figur e 4 - 3 1 . Machin e I nte r face W ir ing Diagra m AP/ AF Models

Table of Contents

Other manuals for Servotronix CDHD Series

Related product manuals