EasyManua.ls Logo

Siemens SINAMICS S120 - Connection Example

Siemens SINAMICS S120
570 pages
To Next Page IconTo Next Page
To Next Page IconTo Next Page
To Previous Page IconTo Previous Page
To Previous Page IconTo Previous Page
Loading...
Line Modules Booksize
3.4 Basic Line Modules with internal air cooling
Booksize power units
Manual, (GH2), 06/2008, 6SL3097-2AC00-0BP6
207
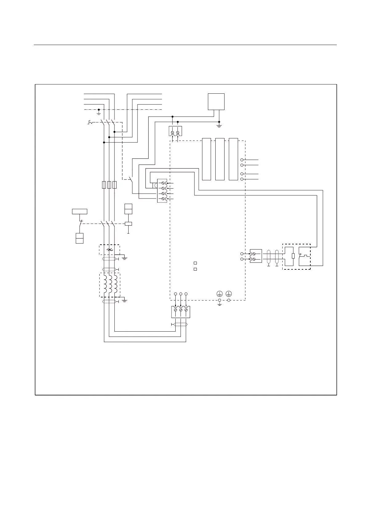
3.4.3.2 Connection example
0
0
;
9
;
5($'<
'&/,1.
%DVLF/LQH
0RGXOH
;
;
;;
/('V
;
/
/
/
3(
/
/
/
3(
'2
&8


',
&8
9'&
([W
9
/LQHLVRODWLQJ
HTXLSPHQW
)XVHV
/LQHILOWHU
RSWLRQDO
%UDNLQJ
UHVLVWRU
7HPSHUDWXUH
VHQVRU
/LQHUHDFWRU
/LQHFRQWDFWRU
RSWLRQDO
 ','2FRQWUROOHGE\WKH&RQWURO8QLW
 1RDGGLWLRQDOORDGSHUPLWWHGEHKLQGWKHOLQHFRQWDFWRU
 7KHFXUUHQWFDUU\LQJFDSDFLW\RIWKHGLJLWDORXWSXW'2PXVWEHREVHUYHGDQRXWSXWLQWHUIDFHPXVWEHXVHGLIUHTXLUHG
7KHWKHUPDOWLPHGHOD\VZLWFKZLWKZLULQJPXVWQRWH[FHHGDUHVLVWDQFHRIRKPVZKHQFORVHG
 -XPSHUWRGHDFWLYDWHWHPSHUDWXUHPRQLWRULQJIRUWKHEUDNLQJUHVLVWRU
'5,9(&/L4VRFNHW
'5,9(&/L4VRFNHW
'5,9(&/L4VRFNHW
0
'&3
'&1
7HPS
(30
(39
˽
7HPS
5
5
5
5
8 9 :
8
9
:


Figure 3-37 Connection example: Basic Line Module (20 kW and 40 kW)

Table of Contents

Other manuals for Siemens SINAMICS S120

Related product manuals