EasyManua.ls Logo

Siemens SINAMICS S120 - Connection Examples

Siemens SINAMICS S120
570 pages
To Next Page IconTo Next Page
To Next Page IconTo Next Page
To Previous Page IconTo Previous Page
To Previous Page IconTo Previous Page
Loading...
Motor Modules Booksize
4.3 Motor Module with external air cooling
Booksize power units
Manual, (GH2), 06/2008, 6SL3097-2AC00-0BP6
349
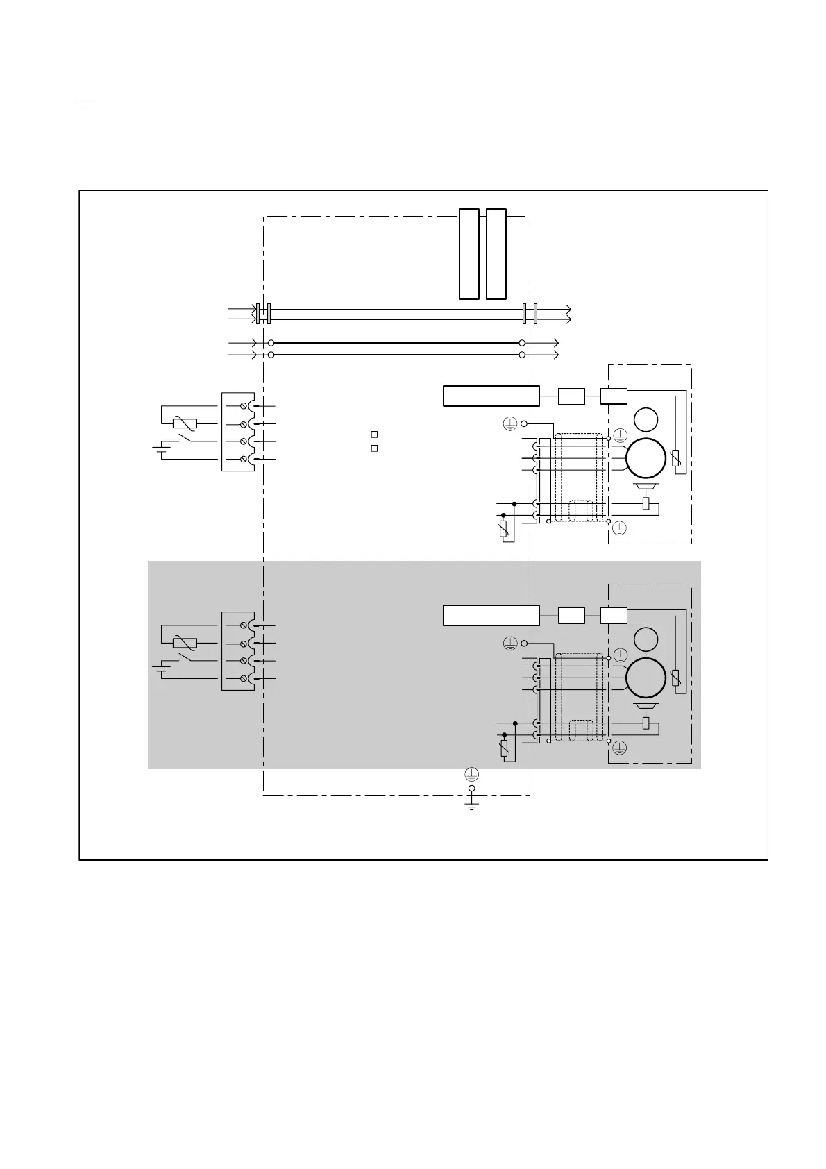
4.3.3.2 Connection examples
;;
'&1
'&3
;
a
0
(
˽
60&
8
9
%5
:
%5
;

5($'<
'&/,1.
/('V
'&1
'&3
7HPS
;
7HPS
(30
(39

˽
˽
˽
0
0

,QDGGLWLRQIRU'RXEOH0RWRU0RGXOHV
'5,9(&/L4VRFNHW
;
a
0
(
'5,9(&/L4VRFNHW
7HPS
;
7HPS
(30
(39


5HTXLUHGIRU6DIHW\
60&UHTXLUHGIRUPRWRUVZLWKRXW'5,9(&/L4LQWHUIDFH
9WRWKHQH[WPRGXOH
60&
8
9
%5
:
%5
;
9MXPSHU
'5,9(&/L4VRFNHW
'5,9(&/L4VRFNHW
8
8
Figure 4-22 Connection example of Motor Modules 3 A to 30 A and Double Motor Modules 3 A to 18 A

Table of Contents

Other manuals for Siemens SINAMICS S120

Related product manuals