EasyManua.ls Logo

Squid Ink CoPilot 500 - Optional Four Port USB Hub

Squid Ink CoPilot 500
152 pages
Print Icon
To Next Page IconTo Next Page
To Next Page IconTo Next Page
To Previous Page IconTo Previous Page
To Previous Page IconTo Previous Page
Loading...
Installation and Setup 61
2005995 Rev O – 210712
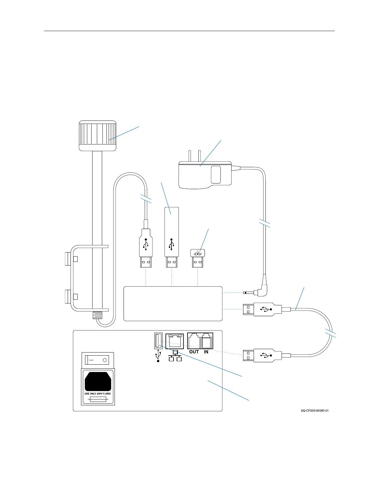
Optional Four Port USB Hub
There is only a single USB Port on the Controller. However, the CoPilot 500 is not limited to
a single USB device. The optional Four Port USB Hub (Part Number 2004242) can provide
three points of entry for USB devices.
Low Ink Warning Beacon
(Part Number 2003927)
Connecting Multiple USB Devices
USB Hub Power
Supply
USB
Drive
USB WiFi
Adapter
USB Cable
to Controller
4-Port USB Hub
(Part Number 2004242)
Controller
USB Port

Table of Contents

Related product manuals