EasyManua.ls Logo

TOHATSU BFT75A - Page 56

TOHATSU BFT75A
609 pages
Print Icon
To Next Page IconTo Next Page
To Next Page IconTo Next Page
To Previous Page IconTo Previous Page
To Previous Page IconTo Previous Page
Loading...
2-37
dummyheaddummyhead
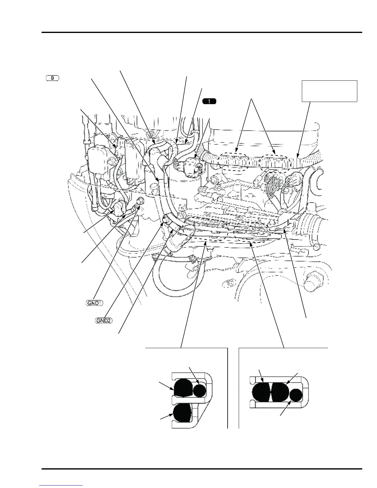
SERVICE INFORMATION
CLAMPS
Set into the clamps
of the silencer case
properly.
MAIN HARNESS
STARTER MOTOR
NMEA 2000 6P
CONNECTOR
POWER TRIM/
TILT SWITCH 3P
CONNECTOR
FUSE CABLE
REGULATOR/
RECTIFIER
GROUND CABLE
STARTER
CABLE (–)
STARTER
CABLE (+)
STARTER
CABLE (–)
STARTER
CABLE (+)
STARTER
CABLE (–)
FUSE CABLE
FUSE CABLE
FUSE CABLE
PGM-FI/MAIN RELAY
WHITE WIRE
STARTER
CABLE (+)
(Except LHGX type)
(Except LHGX type)
(Except LHGX type)
POWER TRIM/
TILT SWITCH
(Except LHGX
type)
(Except LHGX
type)

Table of Contents