EasyManua.ls Logo

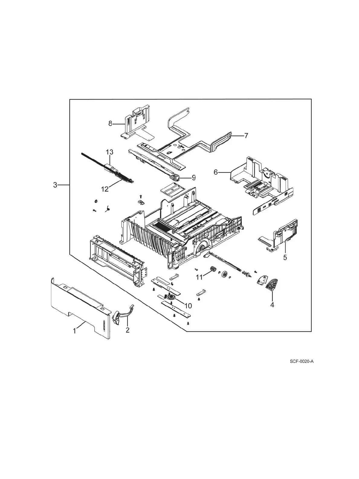
Xerox Phaser 3330 - Parts List 12.2 Optional Tray Cassette A;S Assy

Xerox Phaser 3330
434 pages
Print Icon
To Next Page IconTo Next Page
To Next Page IconTo Next Page
To Previous Page IconTo Previous Page
To Previous Page IconTo Previous Page
Loading...
Parts Lists
Phaser 3330 and WorkCentre 3335/3345 Xerox Internal Use Only
Service Manual
5-56
Parts List 12.2 Optional Tray Cassette A/S Assy

Table of Contents

Other manuals for Xerox Phaser 3330

Related product manuals