EasyManua.ls Logo

YASKAWA SGDV-OCA05A

YASKAWA SGDV-OCA05A
576 pages
To Next Page IconTo Next Page
To Next Page IconTo Next Page
To Previous Page IconTo Previous Page
To Previous Page IconTo Previous Page
Loading...
4.1 Wiring and Connecting SERVOPACKs
4.1.2 Countermeasures against Noise
4-8
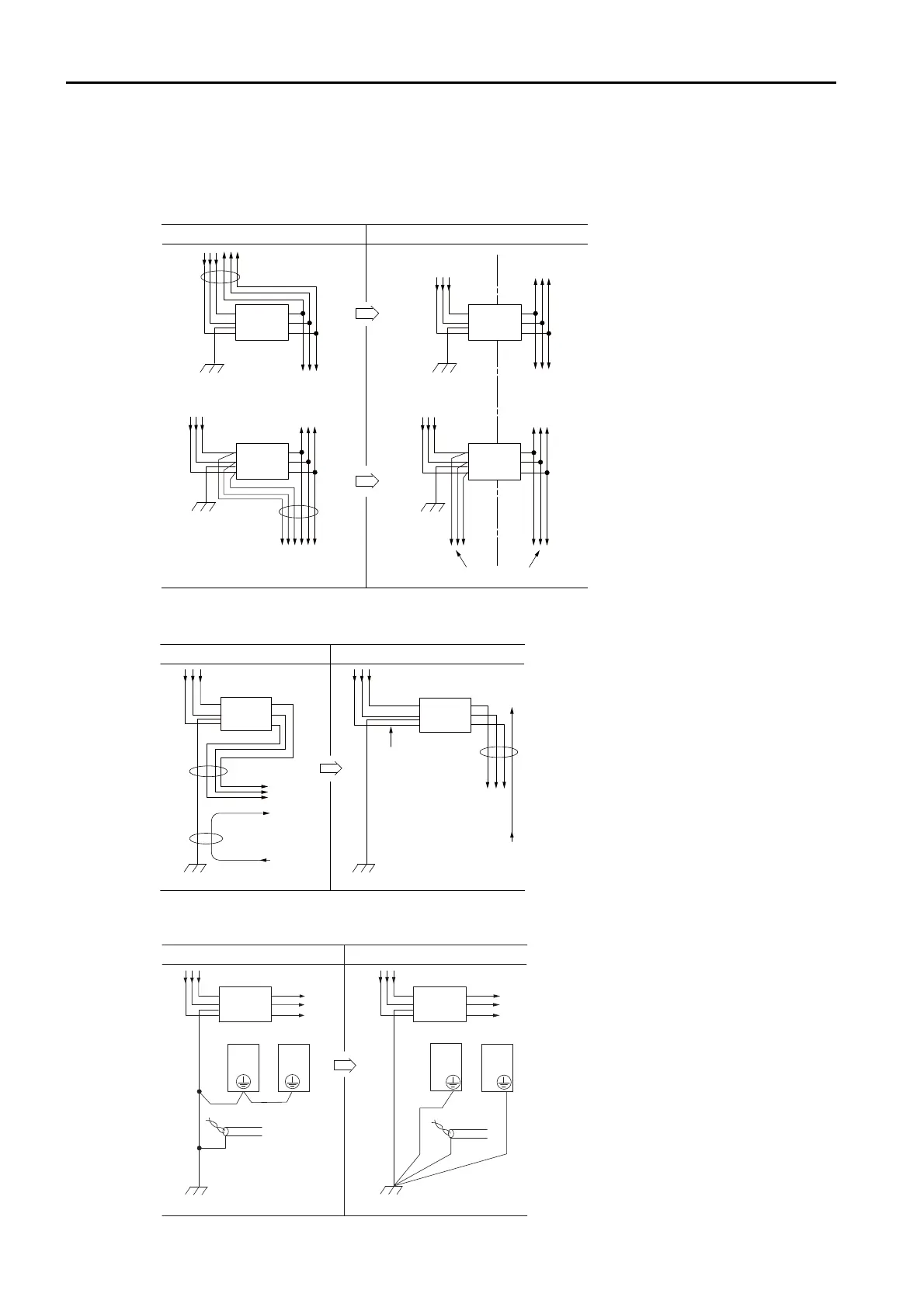
Noise Filter Wiring and Connection Precautions
Always observe the following precautions when wiring or connecting Noise Filters.
Separate input lines from output lines. Do not place input lines and output lines in the same
duct or bundle them together.
Separate the Noise Filter ground wire from the output lines. Do not place the Noise Filter
ground wire, output lines, and other signal lines in the same duct or bundle them together.
Connect the Noise Filter ground wire directly to the grounding plate. Do not connect the
Noise Filter ground wire to other ground wires.
Noise
Filter
Noise
Filter
Noise
Filter
Noise
Filter
Separate the circuits.
Correct
Incorrect
Grounding plate
Grounding plate
Grounding
plate
Grounding plate
It is OK if the ground
wire is close to the
input lines.
Noise
Filter
Noise
Filter
Correct
Incorrect
Grounding plate
Grounding plate
Shielded ground wire
Noise
Filter
Noise
Filter
Grounding plate
Grounding plate
SERVOPACK SERVOPACK SERVOPACK SERVOPACK
CorrectIncorrect

Table of Contents

Related product manuals