EasyManua.ls Logo

YASKAWA SGDV-OCA05A

YASKAWA SGDV-OCA05A
576 pages
To Next Page IconTo Next Page
To Next Page IconTo Next Page
To Previous Page IconTo Previous Page
To Previous Page IconTo Previous Page
Loading...
4.3 Wiring the Power Supply to the SERVOPACK
4.3.4 Power Supply Wiring Diagrams
4-16
4.3.4
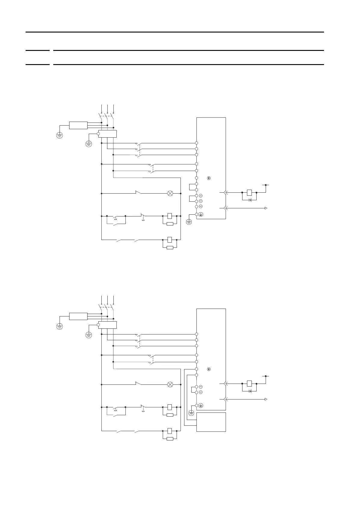
Power Supply Wiring Diagrams
Using Only One SERVOPACK
Wiring Example for Three-Phase, 200-VAC Power Supply Input: SGD7S-R70A, -R90A,
-1R6A, -2R8A, -3R8A, -5R5A, -7R6A, -120A, -180A, -200A, or -330A
* You do not have to connect B2 and B3 for the following models: SGD7S-R70A, SGD7S-R90A, SGD7S-
1R6A, and SGD7S-2R8A. Do not connect them.
Wiring Example for Three-Phase, 200-VAC Power Supply Input: SGD7S-470A, -550A,
-590A, and -780A
2KM
L1
0 V
1Ry
+
3
4
1D
B2
B3
L2
CN1
1KM
L1C
L3
L2C
1QF
R
S T
1FLT
+24 V
1
2
3SA
*
B1/
1PL
1KM
2KM
1SA
2SA
1KM
1Ry
1KM
ALM
ALM
1Ry
SERVOPACK
(For servo alarm
display)
Servo power
ON
Servo power
OFF
1QF: Molded-case circuit breaker
1FLT: Noise Filter
1KM: Magnetic Contactor
(for control power supply)
2KM: Magnetic Contactor
(for main circuit power supply)
1Ry: Relay
1PL: Indicator lamp
1SA: Surge Absorber
2SA: Surge Absorber
3SA: Surge Absorber
1D: Flywheel diode
2KM
L1
0 V
1Ry
+
3
4
1D
B2
L2
CN1
1KM
L1C
L3
L2C
1QF
R
S T
1FLT
+24 V
1
2
3SA
B1/
Regenerative
Resistor Unit
1PL
1KM
2KM
1SA
2SA
1KM
1Ry
1KM
ALM
ALM
1Ry
SERVOPACK
(For servo alarm
display)
Servo power
ON
Servo power
OFF
1QF: Molded-case circuit breaker
1FLT: Noise Filter
1KM: Magnetic Contactor
(for control power supply)
2KM: Magnetic Contactor
(for main circuit power supply)
1Ry: Relay
1PL: Indicator lamp
1SA: Surge Absorber
2SA: Surge Absorber
3SA: Surge Absorber
1D: Flywheel diode

Table of Contents

Related product manuals