EasyManua.ls Logo

YASKAWA SGDV-OCA05A

YASKAWA SGDV-OCA05A
576 pages
To Next Page IconTo Next Page
To Next Page IconTo Next Page
To Previous Page IconTo Previous Page
To Previous Page IconTo Previous Page
Loading...
11.4 Applications Examples for Safety Functions
11.4.1 Connection Example
11-10
11.4
Applications Examples for Safety Functions
This section provides examples of using the safety functions.
11.4.1
Connection Example
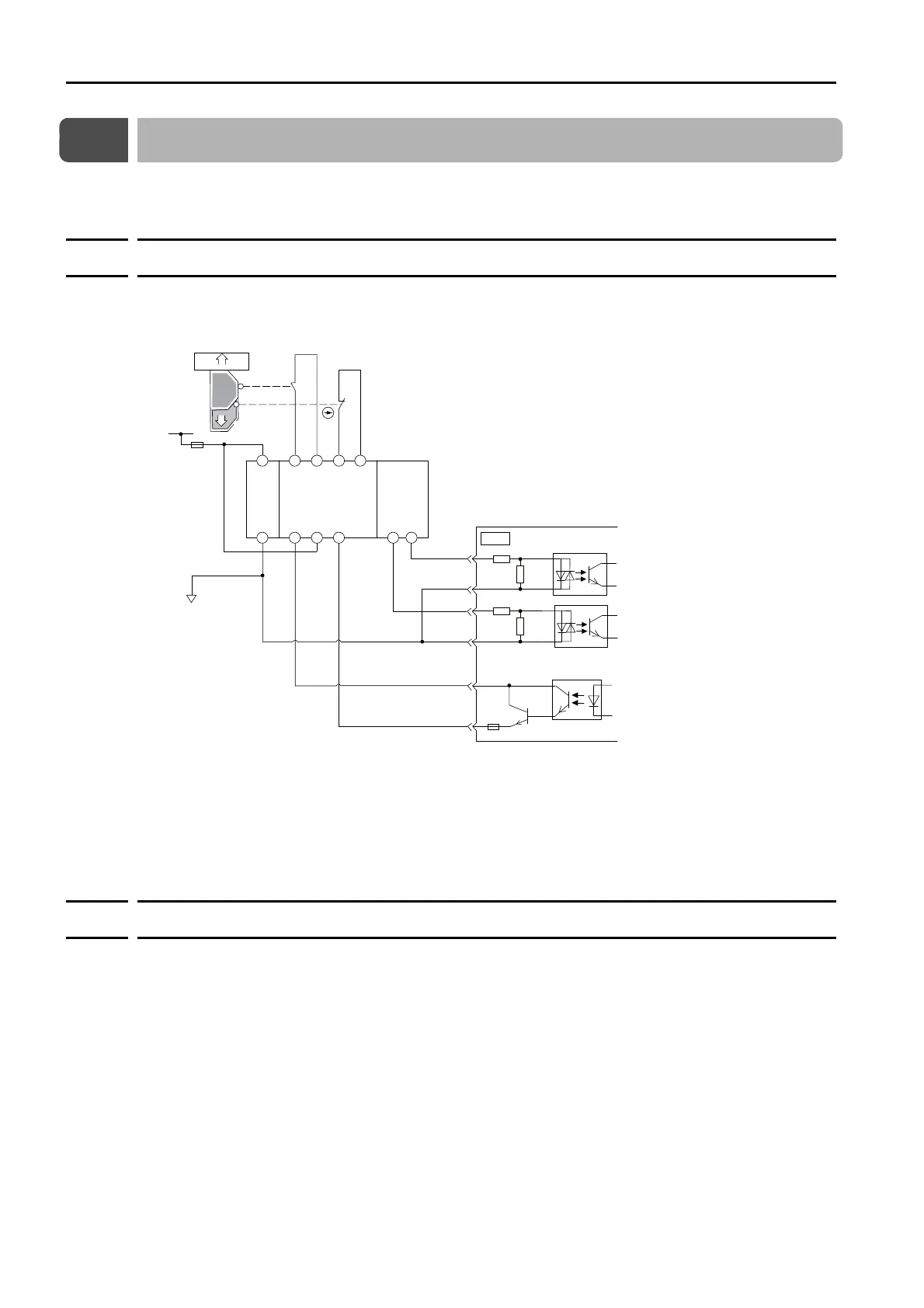
In the following example, a Safety Unit is used and the HWBB operates when the guard is
opened.
When the guard is opened, both the /HWBB1 and the /HWBB2 signals turn OFF, and the
EDM1 signal turns ON. Because the feedback circuit is ON while the guard is closed, the
Safety Unit is reset, the /HWBB1 and the / HWBB2 signals turn ON, and the operation is
enabled.
Note: The EDM1 signal is used as a source output. Connect the EDM1 so that the current flows from EMD1+ to
EMD1-.
11.4.2
Failure Detection Method
If a failure occurs (e.g., the /HWBB1 or the /HWBB2 signal remains ON), the Safety Unit is not
reset when the guard is closed because the EDM1 signal remains OFF. Therefore starting is not
possible and a failure is detected.
In this case the following must be considered: an error in the external device, disconnection of
the external wiring, short-circuiting in the external wiring, or a failure in the SERVOPACK. Find
the cause and correct the problem.
/HWBB1+
4
3
6
5
8
7
A1
A2
T11 T12 T21
T31 T32 T33 S24 S14
T22
/HWBB1-
/HWBB2+
/HWBB2-
EDM1+
EDM1-
0 V
CN8
Close
Limit switch
Guard
24-V power
supply
Fuse
Open
Power
supply
input
Reset/feedback
inputs
Inputs
Outputs
SERVOPACK
G9SX-BC202 Safety
Unit manufactured by
OMRON Corporation

Table of Contents

Related product manuals