EasyManua.ls Logo

YASKAWA SGDV-OCA05A

YASKAWA SGDV-OCA05A
576 pages
To Next Page IconTo Next Page
To Next Page IconTo Next Page
To Previous Page IconTo Previous Page
To Previous Page IconTo Previous Page
Loading...
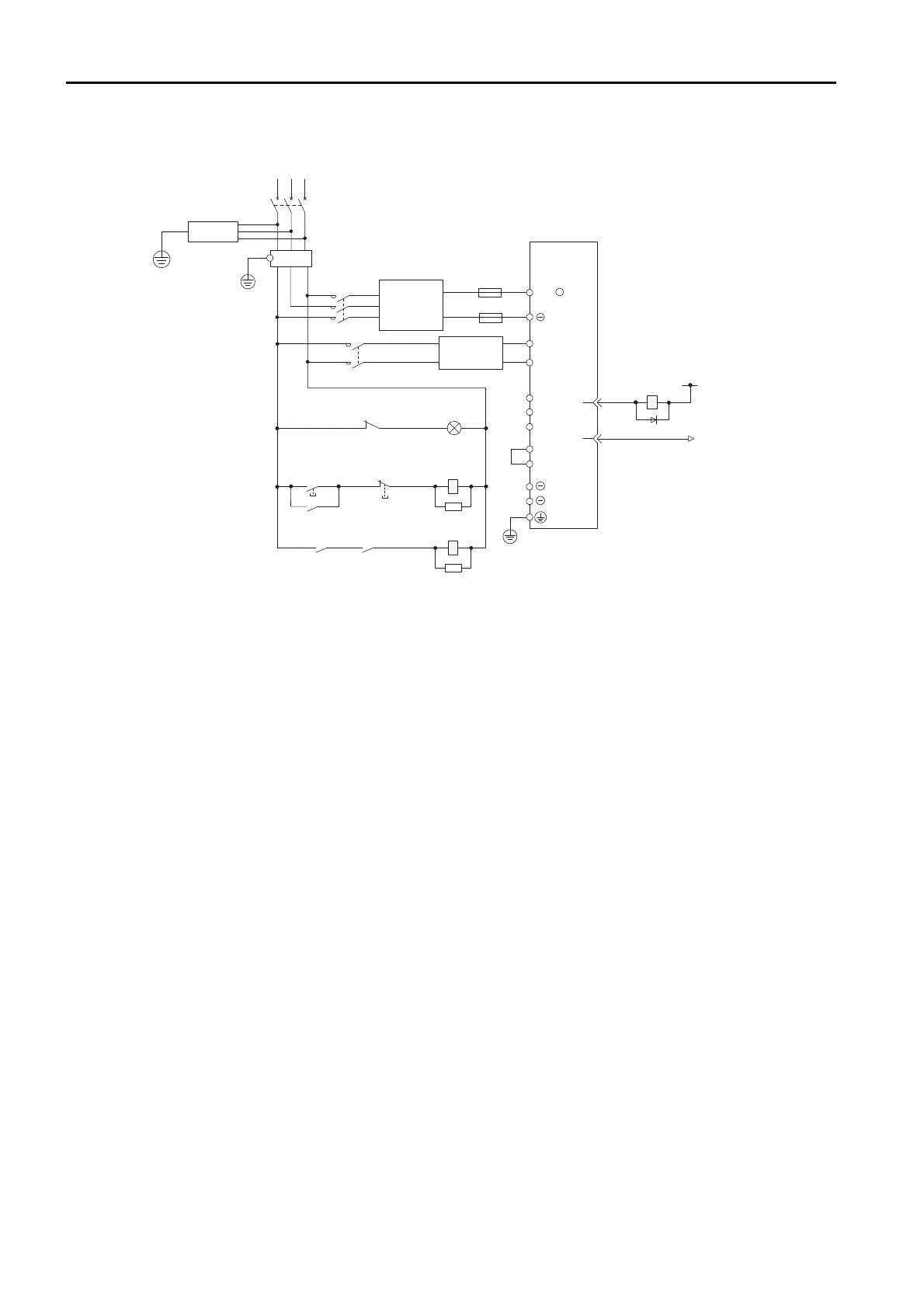
4.3 Wiring the Power Supply to the SERVOPACK
4.3.4 Power Supply Wiring Diagrams
4-18
Wiring Example for DC Power Supply Input: SGD7S-R70A, -R90A, -1R6A, -2R8A, -3R8A,
-5R5A, -7R6A, -120A, -180A, or -200A
* You do not have to connect B2 and B3 for the following models: SGD7S-R70A, SGD7S-R90A, SGD7S-
1R6A, and SGD7S-2R8A. Do not connect them.
SERVOPACK
(For servo alarm
display)
Servo power
ON
Servo power
OFF
1QF: Molded-case circuit breaker
1FLT: Noise Filter
1KM: Magnetic Contactor
(for control power supply)
2KM: Magnetic Contactor
(for main circuit power supply)
1FU: Fuse
2FU: Fuse
1Ry: Relay
1PL: Indicator lamp
1SA: Surge Absorber
2SA: Surge Absorber
3SA: Surge Absorber
1D: Flywheel diode
1PL
1KM
2KM
1SA
2SA
L1C
L2C
B1/
2
+
1FU
2KM
0 V
1Ry
1D
+24 V
1KM
AC/DC
1QF
R
S T
3SA
+
-
3
4
CN1
1Ry
1KM
1Ry
1KM
ALM
ALM
1FLT
B2
B3
1
L1
L2
L3
AC/DC
*
2FU

Table of Contents

Related product manuals