EasyManua.ls Logo

Cessna 182 1978 - Nose Gear Shock Strut Assembly

Cessna 182 1978
680 pages
Print Icon
To Next Page IconTo Next Page
To Next Page IconTo Next Page
To Previous Page IconTo Previous Page
To Previous Page IconTo Previous Page
Loading...
MODEL
182
&
T182
SERIES SERVICE
MANUAL
2
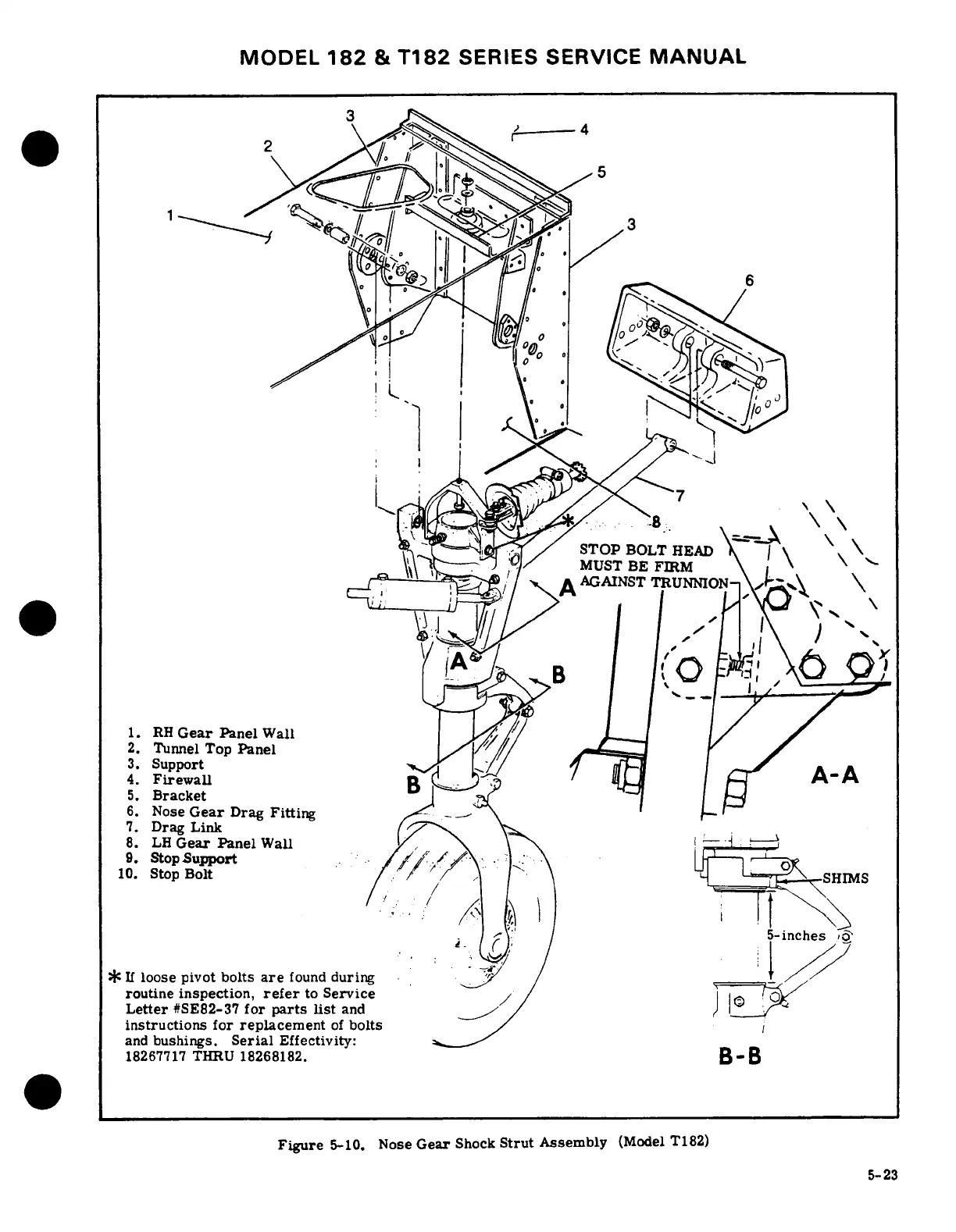
STOP
BOLT
HEAD
_
a
.^
e
v
/
MUST
BE
FIRM
\
I
\
\
\
r=
3;!
*f
/
Y
A
AGAINST
TRUNNION
\ok
Q
\
2.k->B
I-
1.
RH
Gear
Panel
Wall
/
// .
2.
Tunnel
Top
Panel
3.
Support
4.
Firewall
5.
BracketI
6.
Nose
Gear
Drag
Fitting
7.
Drag
Link
8.
LH
Gear
Panel
Wall
9.
Stop
Support
10.
Stop
Bolt/
HIMS
i-
I
}'
/
5-inches
,
~ - 4
*
If
loose
pivot
bolts
are
found
during
routine
inspection,
refer
to
Service
Letter
#SE82-37
for
parts
list
and
/
I
instructions
for
replacement
of
bolts
and
bushings.
Serial
Effectivity:
18267717
THRU
18268182.
B-B
Figure
5-10.
Nose
Gear
Shock
Strut
Assembly
(Model T182)
5-23

Table of Contents

Related product manuals