EasyManua.ls Logo

Cessna 182 1978 - Air Conditioner

Cessna 182 1978
680 pages
Print Icon
To Next Page IconTo Next Page
To Next Page IconTo Next Page
To Previous Page IconTo Previous Page
To Previous Page IconTo Previous Page
Loading...
MODEL
182
&
T182
SERIES
SERVICE
MANUAL
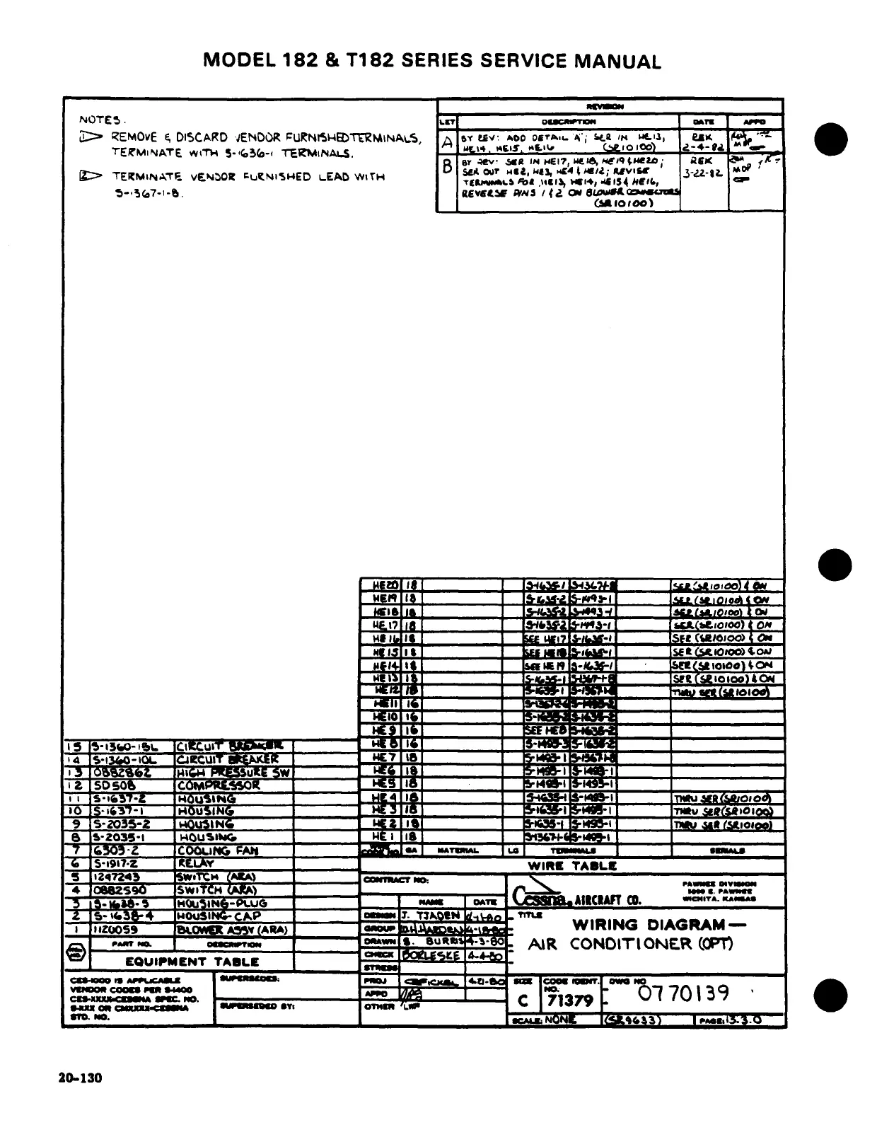
NOTES
.
Lr
oucaPrm
o
IDT
D
REMOvE
4e
DISCARD
JENDOR
FURNIt
Si4TEDM
IN
ALA
5
s
Y
£'l:
A,
OE.L
A
t.
^
s
im
t
K
.,L3_
UK
TEXMiNATE
wiTH
5
-s
TERMINALS.
mLI4
i5,
LI-
LIo
O)
4-4-
B
y
.eV
R
r
6,R
IrN
NEIeU,
WEI9
NI;
D
-
-I?-
G
'r
>
TERMINET,
vENDO
cuWNIS5HED
LEAD
,ITH u
sAour
wel,
W4
4
4, A 4e,
3-VI IL-
.eRroamL.
A-o
,%t-,1
W914;
Mir54,C
Iq.,
S--l<<7-1-3-.
i.s
,r ,Ia
/<%
sd
t
¢
3
bM16
1
3I
aI________aI
--
sl'oo)
to
E
I'Slei
1
t.,i2is (S3-#jl
iai
oo)i
0
Er&/
leiSI
II
aw
MR
(lOa)401o
NE
I
,
159
>-
I
itOl
4
0
1
~~5 $-15~-
IL.
Ci-c~ulta1
1
isc,-
1416)o
14
$-I
_'L/
-I:L.
C4iCUI'
F
'
____
I___
__l_ _ __
_1&"/I,
,.
SOSO.
COMPR~e~aldO;P.
i
'~S
.i-.6
It)-,N4-,
4_
S-3I3-£
1.4ueINx
it
____
5
-
a
1010)u
WE
(MIOl
S-1&37-1
HOUSING
dHE _______ ; =__a_
TI___olo_)
9
S-203S-2
tU4
N
.
I I SMOS-
HEJ
i (.OC
a
S-i035-15
CKifua&l -Rsg ~gi =
-
^T
-i3C
CT. JNAJt OOU4G:
FAN
A_. L___
-
IaI
_
.m'
,=
_ _ -1»s- SWITCIHU51
"
I -o
.
a
O.
-
0.
~oz
i
N
-P.U
N
oAICIAIr- 1
4
.
S iAOIT.
_
IAN1
T
9
S-
03S-24
14OIN0
_-
CAP
=_
]'6. TA0_
_____
t.o
r.l
i
S-z035-1s
H.OiUSW
Hl.
,A3=) -4,
I76tj0oss
L012
A5.
(ARA).
WIRING
DIAGRAM-
1QUIPMENT
TABLE
C
_WI.
cg-s
o
is
AJ2PLC
SAILE
c------ t-
1
ws
No»
-
4or
SWITCH
(AI _
_
NO^..
«
0170139
_1 mQla ctm^
WA
F
'
WNl
OIA-
^" _«^N,:-
o~~p~T
S.
BURFR
*-w-
AIR
CONOITIONER
COPT)
eSitco UAm
ow"
n.
2Y
1
DM0
_
-C
713790
7
0
130.
a
s
_
-Im
aO
N L
196UeD
1
om
m'
L
20-130

Table of Contents

Related product manuals