EasyManua.ls Logo

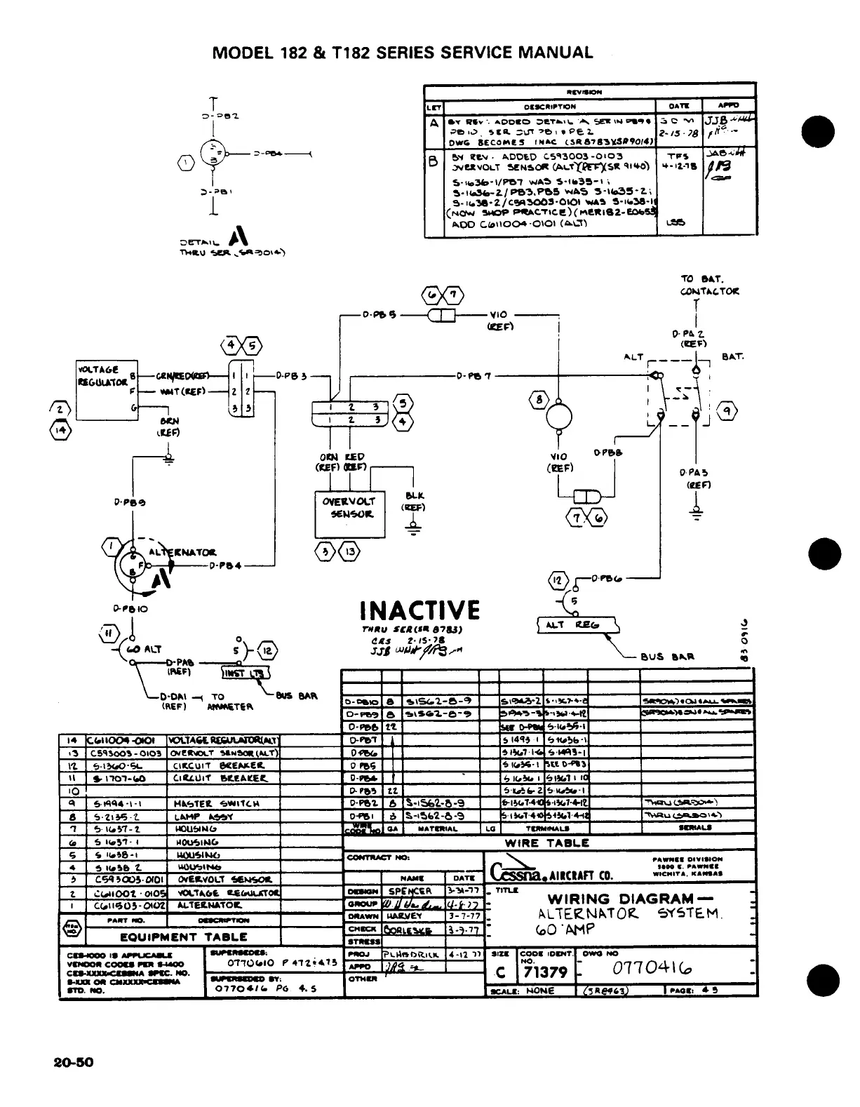
Cessna 182 1978 - Alternator System

Cessna 182 1978
680 pages
Print Icon
To Next Page IconTo Next Page
To Next Page IconTo Next Page
To Previous Page IconTo Previous Page
To Previous Page IconTo Previous Page
Loading...
MODEL
182
&
T182
SERIES
SERVICE
MANUAL
T
ILr
DEI
oCIPTION
DATE
A1
^l
3
"
-"S"
*Toes
~
BA
ST
Y
3WTS.
'
.
D
E
=)
P»;
^,
56
9
JJB
0
pb
.0,
514
st5w-
78
/l
.6l)
P
. .
.
O
'~)r-NL
oDWC
BSEComeS
IN
.
(sR6783l9/014)
___
0Q
)
3----°-'---,
.
B
tE5
.
AtDOtD
C593003-0103
-Tr
S
.
A
.
\J^T
D
-W~eA~vevOLT
5eNOR
O(ALTP
sRE9,r
*
t-l-
I
-/g
I
S&- <B*~3*b-
/P» S-n«3B-i~
w'5
<
-1
s
33-;
>-
>a
S-
./P35.-L/
P
.PoSP
9w5
5-\435-2.,;
L~~
9I~l~-
I'-.3-2S/C
S00O3-I0l
'A w
S
-1l.M-
1-LI~~
(NmOa P
oPRfCTIce)(ewe162-Eos
-
_
t00
_
C(\1004-0101
(PA-'
L
T'lA,
W.
0
TO
A&T.
(^(7)
COhT&.cTOC
0-Pb-PT,
Vio--
(EF)
-
P&
Z
<,4Yi2
(e)
'
F
--
»<MT(»
F>-- Z Z
--
/
____
-
(
I
EF)
---
OLTF
| _
D
ALT
B
\AT.
<3L
1
-------
lw
t
8 ,@
t----
-
»J^-
YJ.
C,-
E
I
F
I(r
F^
r
d
(D
P9
0-F54l^ ^ ;.,..- ~
~ ~ ~ ~ ~ ~ ~
~~~O
PA
-;olo
INACTIVE
K
\A
QI
r
(«a
_
=
\-//-QQ(
o
r-
d,5
-s-71
--
~
~
~
T-Pg
T*
-a-_
_
__k-
SSu
6
m.
_
0-GMAt
--
_
TO
uS-
_____
_
-o
-
R
O-PC,&
ta
_
D-Po
Sa-I,-l
14
C<11004-OLO
OWLAL
P
Tt.U9ESO.WLAA
D
-
_
_
I
14q
IH ____b-
C3
5C'45305-0103
oiol
OVERHLT
m.
mhT)L
D
'
_ __
__I_
1- SeI
_r_-_
it
IO5-7O
CAlW
b
4S
B
KEC
D-F6
Im
-
I `
,
I
6
01
1t
'.ts(aO-4.
CIKCUIT
2CEA.E,. L oI<»!-I
u
5
t"S -IP
II
.I"O'I-.
CID/Uir
f.f.&EEg..
-pq!*
,
I
_
1 i ______
|,
5q44-t-l
HtSEtt
aWlCA
D
DP2
_6
S-5l.-B-9
-_
b-14
S- 7-t
*
u-
-- )
8
S-Ztl5-
LJ4HP
A6&'
I
o-Pi
b
S-i662-6-
3
;
IN.T-4
44%.1j-4-l ____
iau_4_
A
4'l
'7 5'- tI(7- [It
OUbm
a Ao
MATERIIAL
LG
TEAINAL
IJ
SERIALS
(a
15
1751-
I
OUIM"G
_
_WIRE
TABLE
5
$
I8-1
l
I-
CONTACT
NO,.«0
4
i
NO:
4
I11' t
"
iO.lJ
I
l
AWN1l
~)
C'y:'.5'010
1
o~Vl
I
V.IEOLT .lcl,
A
|I DNATME
AIRCIA
CO.
DWICI,-A.,
K.ANSA
t
CiW10t
5
X0·
i
oLTAk&.
efAULTO
O
N
SPE
CR
3-7
-
-R
TITWL
c
C,.lI0o-01o2
A.eL'WNTOK.
'OOU
.
1-.7
.-
WIRING
DIAGRAM-
-
^A
PA'T
eWDfC.~ w
-
-
OMAWN
i
AI
AlYV
3-7-77
_.
ALTERNTOR
6Y6TEM
EQUIPMENT
TABLE
(O'°
P_
cESiCoS
«>
ES
;
|,
pLptR
4-
n
SIZE
Icoo«
IDA-NT.
owo
NO
CvuXXXocoKUA
0PO.
No.
C
71379
-
'00
Ibm
~
onCo!v'~vCIxsNA
my
I
:
TD.
NO.
07704.1/
PG
4.
u
acA:
ON6E
|
te):|
IPAGT
4
5
20-50

Table of Contents

Related product manuals