EasyManua.ls Logo

Delta MH300 Series - Page 206

Delta MH300 Series
1030 pages
Print Icon
To Next Page IconTo Next Page
To Next Page IconTo Next Page
To Previous Page IconTo Previous Page
To Previous Page IconTo Previous Page
Loading...
Chapter 8 Option CardsMH300
8-17
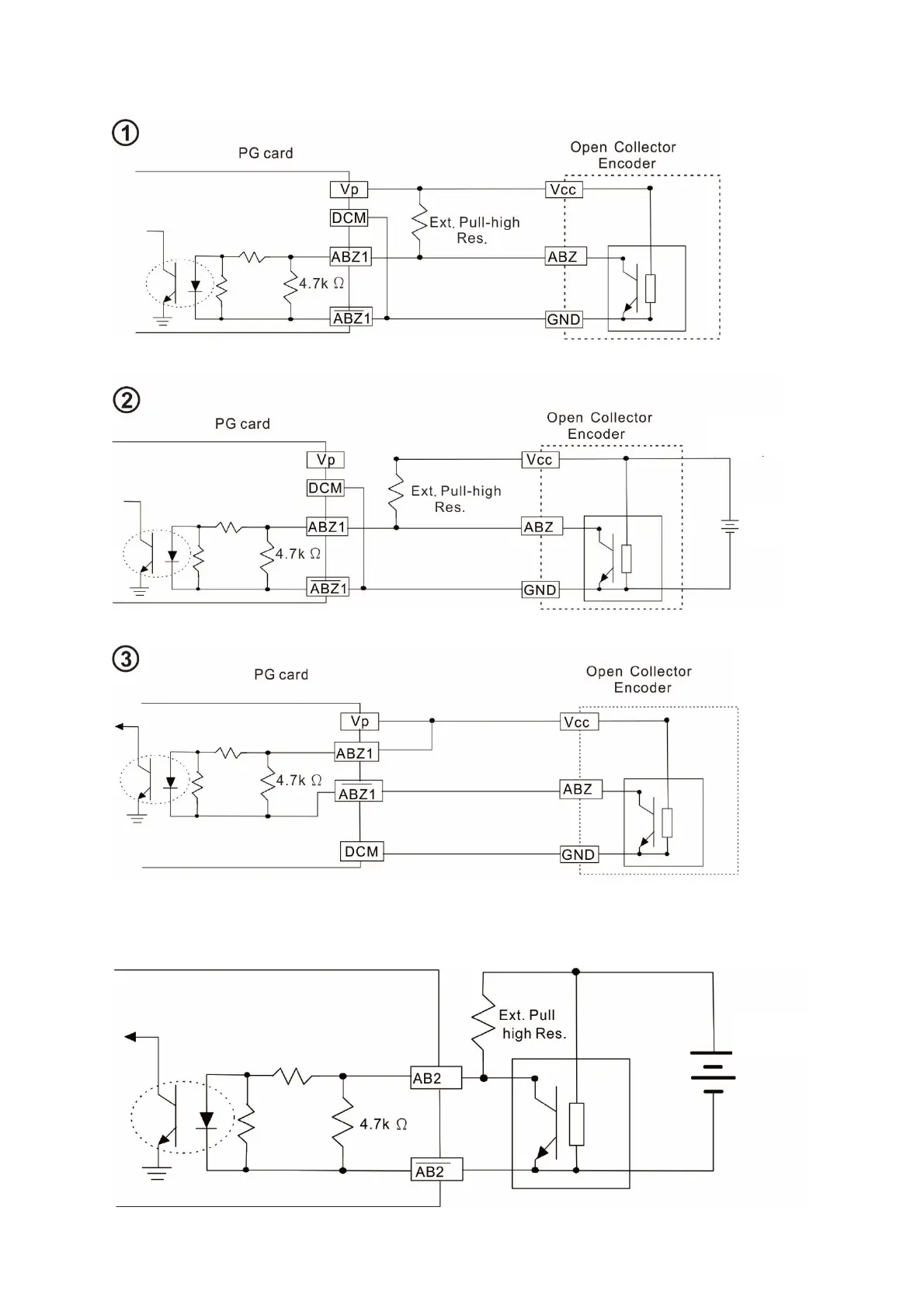
PG1 Wiring Diagram
Figure 8-52
Figure 8-53
Figure 8-54
PG2 Wiring Diagram
Figure 8-55
Ext. Power
(5–24V)
Ext. Power
(
5
24V
)
Ext. Power
(
5
24V
)

Table of Contents

Related product manuals