EasyManua.ls Logo

Delta MH300 Series - 7-4 AC; DC Reactors

Delta MH300 Series
1030 pages
Print Icon
To Next Page IconTo Next Page
To Next Page IconTo Next Page
To Previous Page IconTo Previous Page
To Previous Page IconTo Previous Page
Loading...
Chapter 7 Optional AccessoriesMH300
7-13
7-4 AC / DC Reactors
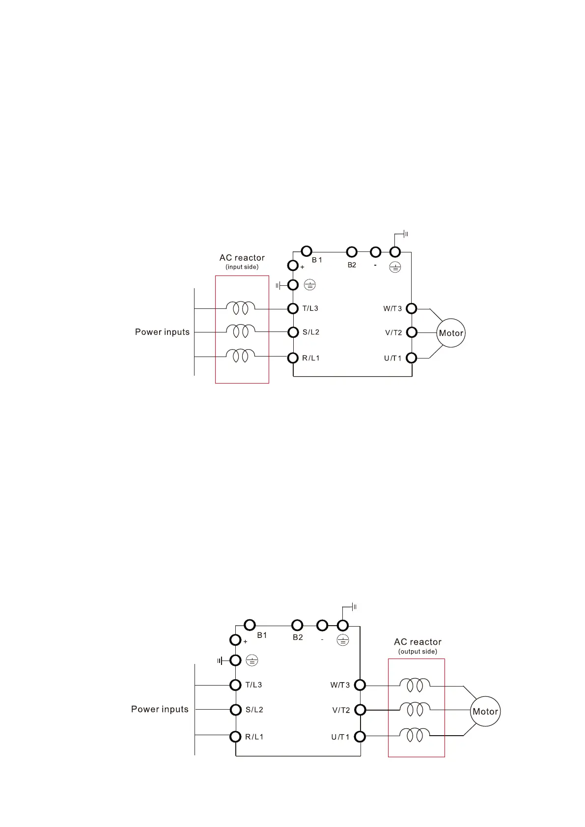
AC Input Reactor
Installing an AC reactor on the input side of an AC motor drive can increase line impedance, improve
the power factor, reduce input current, and reduce interference generated from the motor drive. It also
reduces momentary voltage surges or abnormal current spikes. For example, when the main power
capacity is higher than 500 kVA, or when using a switching capacitor bank, momentary voltage and current
spikes may damage the AC motor drives internal circuit. An AC reactor on the input side of the AC motor
drive protects it by suppressing surges.
Install an AC input reactor in series with the main power to the three input phases R S T as shown
below:
Fig. 7-4
AC Output Reactor
When using drives in long wiring output application, ground fault (GFF), over-current (OC) and motor
over-voltage (OV) often occur. GFF and OC cause errors due to the drives self-protective mechanism;
over-voltage damages motor insulation.
The excessive length of the output wires makes the grounded stray capacitance too large, increase
the three-phase output common mode current, and the reflected wave of the long wires makes the motor
dv / dt and the motor terminal voltage too high. Thus, installing a reactor on the drives output side can
increase the high-frequency impedance to reduce the dv / dt and terminal voltage to protect the motor.
Install an AC output reactor in series with the main power to the three input phases U V W as shown
below:
Fig. 7-5

Table of Contents

Related product manuals