EasyManua.ls Logo

Delta MH300 Series

Delta MH300 Series
1030 pages
To Next Page IconTo Next Page
To Next Page IconTo Next Page
To Previous Page IconTo Previous Page
To Previous Page IconTo Previous Page
Loading...
Chapter 12 Description of Parameter Settings
MH300
12.1-11-46
Diagram 22
CiA402 object
0x6098H
Z Y X
Function Description
Homing
Method
Home
Limit
Z-phase
Signal
Setting
Homing
Mode
24 1 2 2
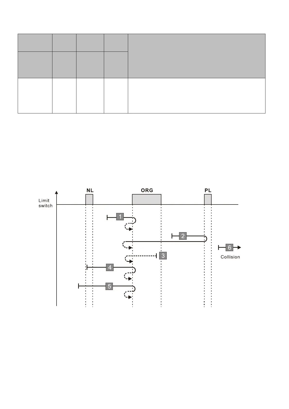
Execute homing position control in the forward direction
and use the ORG switch (from 0 to 1) as the origin. When
encountering the positive limit switch, the direction is
reversed to the locate the origin.
1. The initial movement direction depends on the ORG switch status. The initial movement is in the
reverse direction if the ORG switch is active; the initial movement is in the forward direction if the ORG
switch is inactive.
2. When moving in the forward direction and encountering the positive limit switch, the movement
direction is reversed and waits for the falling-edge trigger of the positive limit switch.
3. When moving in the reverse direction and encountering the falling edge of the ORG switch, the
movement direction is reversed.
4. Then, wait for the rising-edge trigger of the ORG switch as the origin.
A homing failure occurs when the following condition happen:
1. If a negative limit switch signal is encountered when the motor moves in the reverse direction, a
homing failure occurs.
2. If no positive limit switch signal is encountered in the homing process mentioned above, and time-
out is triggered, then a homing failure occurs.

Table of Contents

Related product manuals