EasyManua.ls Logo

Dieci Pegasus - Page 286

Dieci Pegasus
320 pages
Print Icon
To Next Page IconTo Next Page
To Next Page IconTo Next Page
To Previous Page IconTo Previous Page
To Previous Page IconTo Previous Page
Loading...
Mod. E.T. PEGASUS
F/4
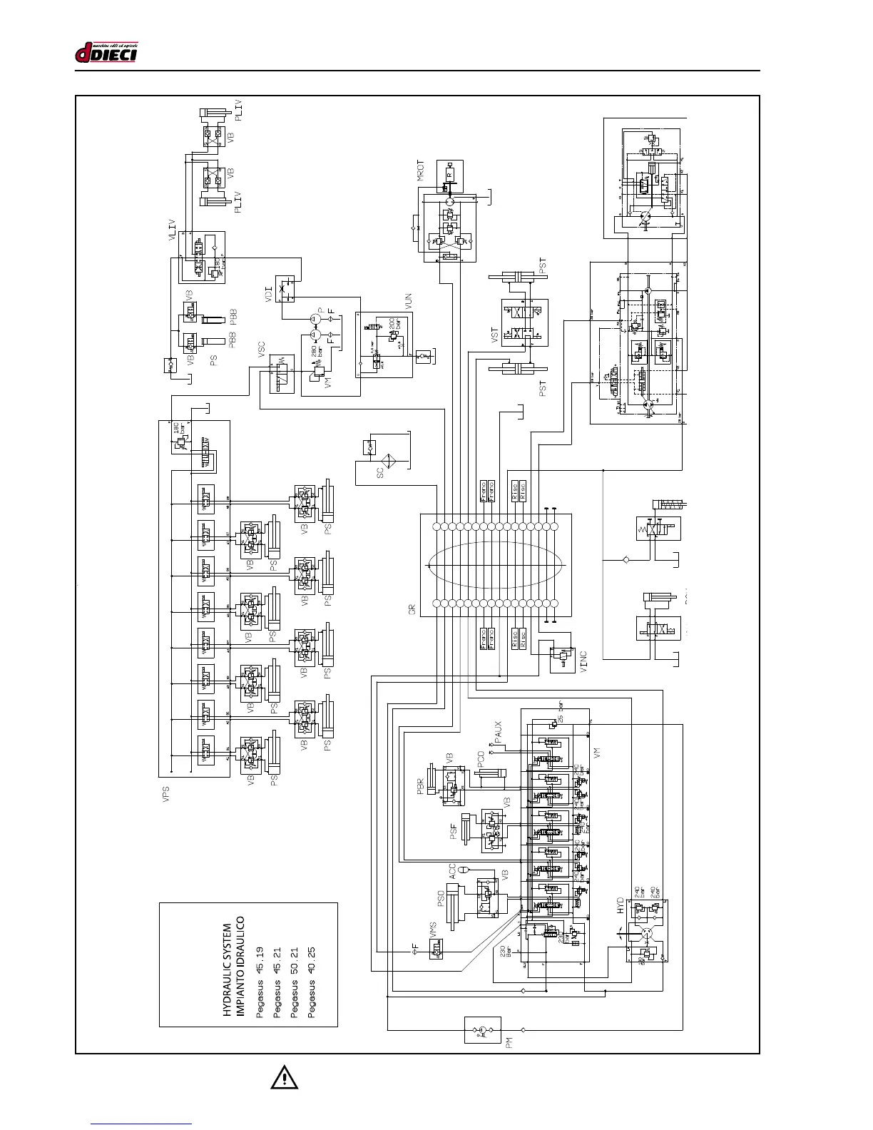
Hydraulic system
- CAUTION: - Read the SAFETY REGULATIONS (in this manual) carefully for the safety of all personnel and the machine.
16
��
16
13
15
14
12
11
10
9
8
13
14
15
8
9
10
11
12
7
6
5
4
2
3
1
2
3
4
5
6
7
1
��
��
S13

Table of Contents

Other manuals for Dieci Pegasus