EasyManua.ls Logo

Epson ES Series - Wiring Schematic 2

Epson ES Series
236 pages
Print Icon
To Next Page IconTo Next Page
To Next Page IconTo Next Page
To Previous Page IconTo Previous Page
To Previous Page IconTo Previous Page
Loading...
13. Protected Model Maintenance Part 2: Maintenance
212
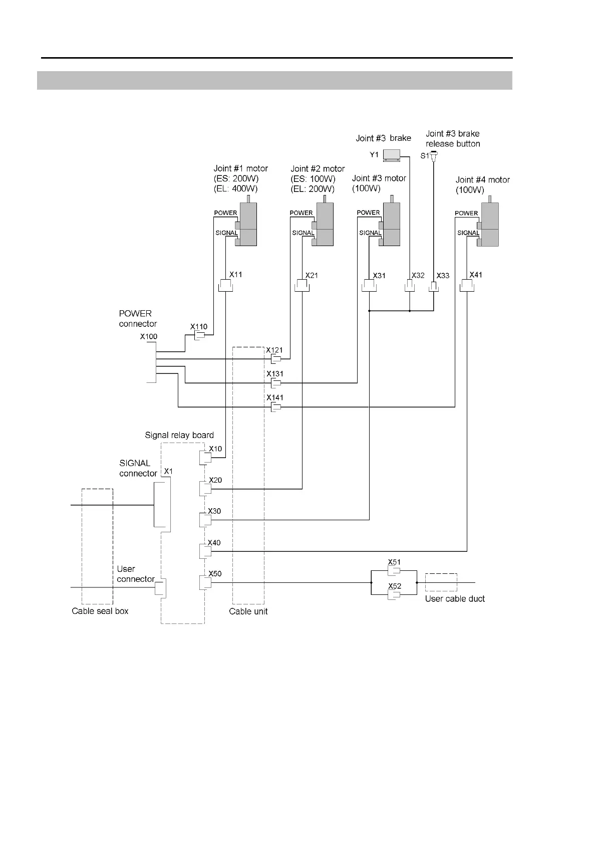
13.6 Wiring Schematic 2

Table of Contents

Related product manuals