EasyManua.ls Logo

K-TRON KCM - 12.4.12 Remote KCM with SIB Pcb at Feeder

K-TRON KCM
126 pages
Print Icon
To Next Page IconTo Next Page
To Next Page IconTo Next Page
To Previous Page IconTo Previous Page
To Previous Page IconTo Previous Page
Loading...
Docu-No.: 1090020601-EN Rev. 1.2.1 Page 111
Appendix 12
KCM wiring examples 12.4
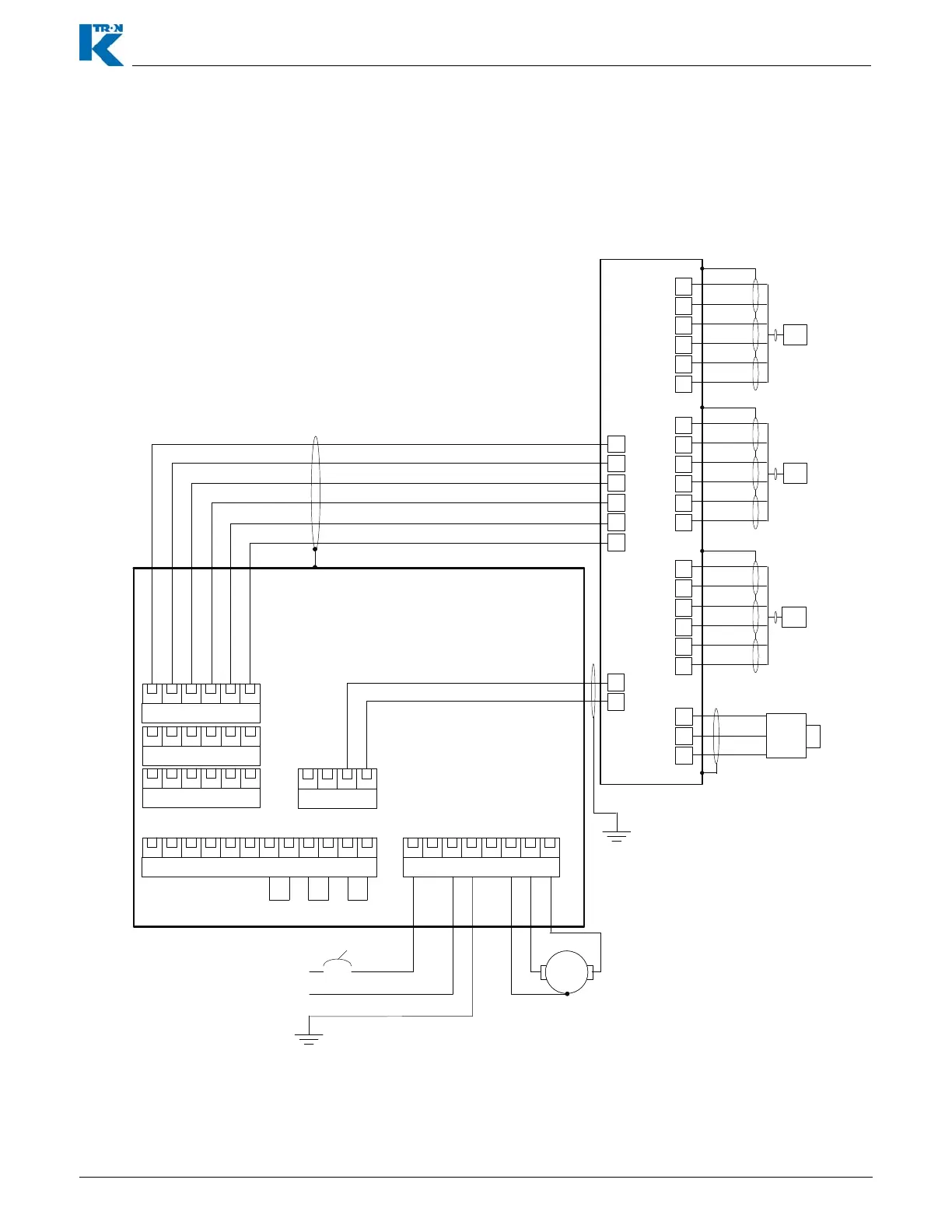
12.4.12 Remote KCM with SIB pcb at feeder
This is a feeder wiring example for a remote KCM with a feeder
mounted SIB circuit card for differential speed signal interfacing. (Fig.
12.11 and Fig. 12.12) The speed encoder interface is shown mounted
to J2 in this example. (See Fig. 12.12).
Fig. 12.11KCM using the SIB pcb example with differential receiver on J2
8 7 6 5 4 3 2 1
J6
L1 PEN
PE Mtr
+
Mtr
-
Vac line in
DC Motor
KCM
1600 W DC Drive
43
44
Blk or Blu
Red
Wht or Yel
Speed
Pick-up
21
22
23
48
47 LK-3
Com
Sig
+5V
LK-4
LK-1-SFT2
+12 V
Com
Tx-
Tx+
Rx-
Rx+
SFT
Pink
Gray
Brn
Wht
Yel
Grn
LK-2-SFT3
+12 V
Com
Tx-
Tx+
Rx-
Rx+
SFT
LK-4
9191-601650SIB
42
41
1
2
3
4
5
6
1
2
3
4
5
6
J1
12 11 10 9 8 7 6 5 4 3 2 1
SafetyDrive Enable
K4
DPDT
J
8
J7
J4
6 5 4 3 2 1
6 5 4 3 2 1
6 5 4 3 2 1
Pink
Gray
Brn
Wht
Yel
Grn
LK-1-SFT1
+12 V
Com
Tx-
Tx+
Rx-
Rx+
SFT
1
2
3
4
5
6
4 3 2 1
J2
45
46
Pink
Gray
Brn
Wht
Yel
Grn

Table of Contents

Related product manuals