EasyManua.ls Logo

Kollmorgen MMC Smart Drive - Page 153

Kollmorgen MMC Smart Drive
322 pages
Print Icon
To Next Page IconTo Next Page
To Next Page IconTo Next Page
To Previous Page IconTo Previous Page
To Previous Page IconTo Previous Page
Loading...
Kollmorgen - December 2011 151
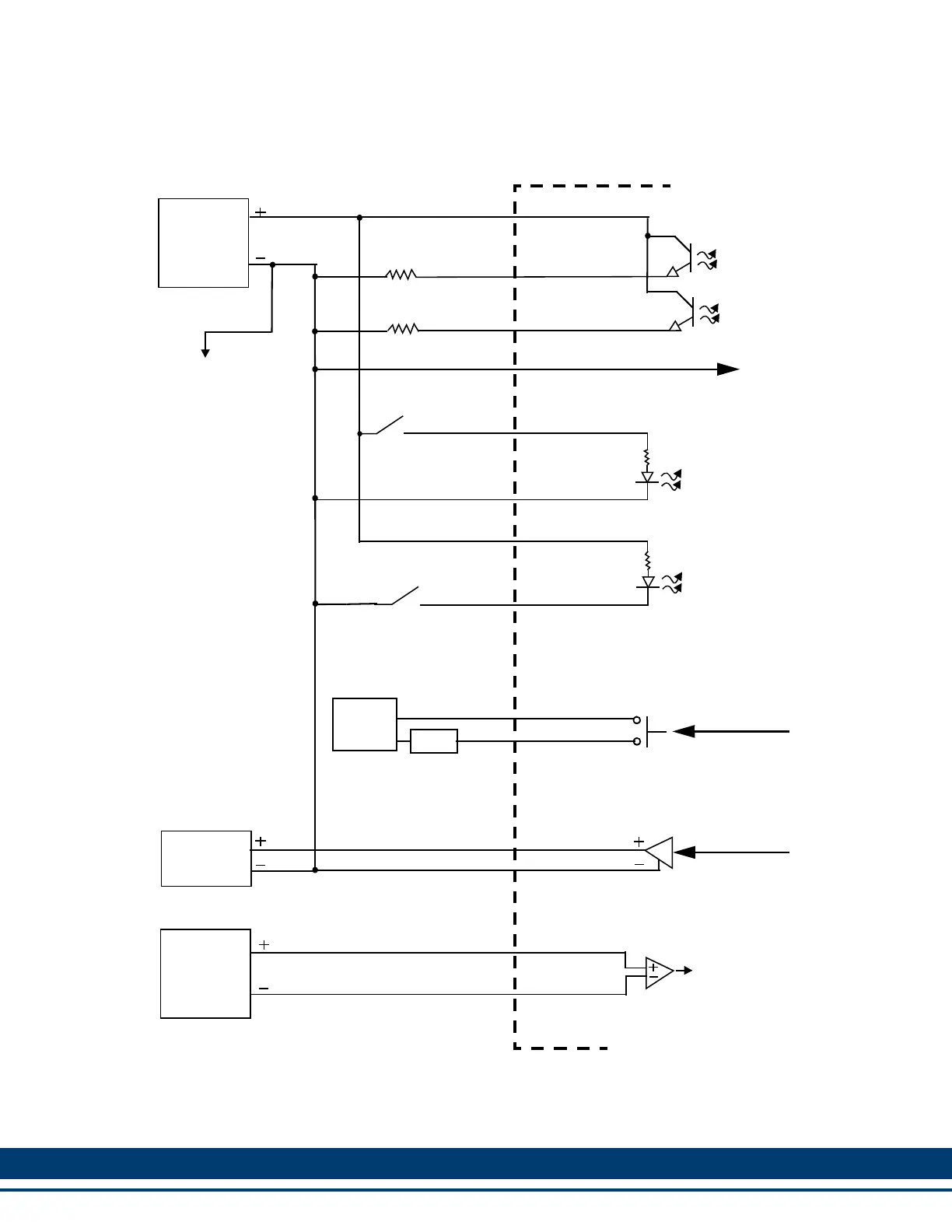
MMC Smart Drive Hardware Manual - 460V 3 PHASE MMC SMART DRIVE NEXTGEN
Figure 6-4: Wiring Diagram for Drive I/O Connectors (IO1 & IO2)
24 V
Power
Supply
To Single
Point
Ground
GPOUT1
GPOUT 24 V
From
Drive
To
Drive
FASTIN1..2
FASTIN S/S
Sourcing
Input
GPIN1..6
GPIN S/S
Sinking
Input
To
Drive
To
Drive
CMD +
CMD -
MMC or
other
External
Source
Drive
Drive
(Analog Interfaced MMC-SD only)
(Analog Interfaced MMC-SD only)
GPOUT2
Drive
Output
Device
From
Output
Device
GPOUT 24 COM
Analog
Input
Device
Analog Out
Analog Out Ret
From Drive
RELAY
RELAY
Power
Source
Load
From Drive
IO1-7
IO1-3
IO1-1
IO1-8
IO1-5
IO1-6
IO1-2
IO1-4
IO1-9
IO1-10
IO2-1..2
IO2-3
IO2-10
IO2-4..9
Device
Device
Input
Configured
as Sinking-type
Input
Configured
as Sourcing-type

Table of Contents