EasyManua.ls Logo

Kollmorgen MMC Smart Drive - Page 28

Kollmorgen MMC Smart Drive
322 pages
Print Icon
To Next Page IconTo Next Page
To Next Page IconTo Next Page
To Previous Page IconTo Previous Page
To Previous Page IconTo Previous Page
Loading...
26 Kollmorgen - December 2011
MMC Smart Drive Hardware Manual - INSTALLING THE MMC SMART DRIVE
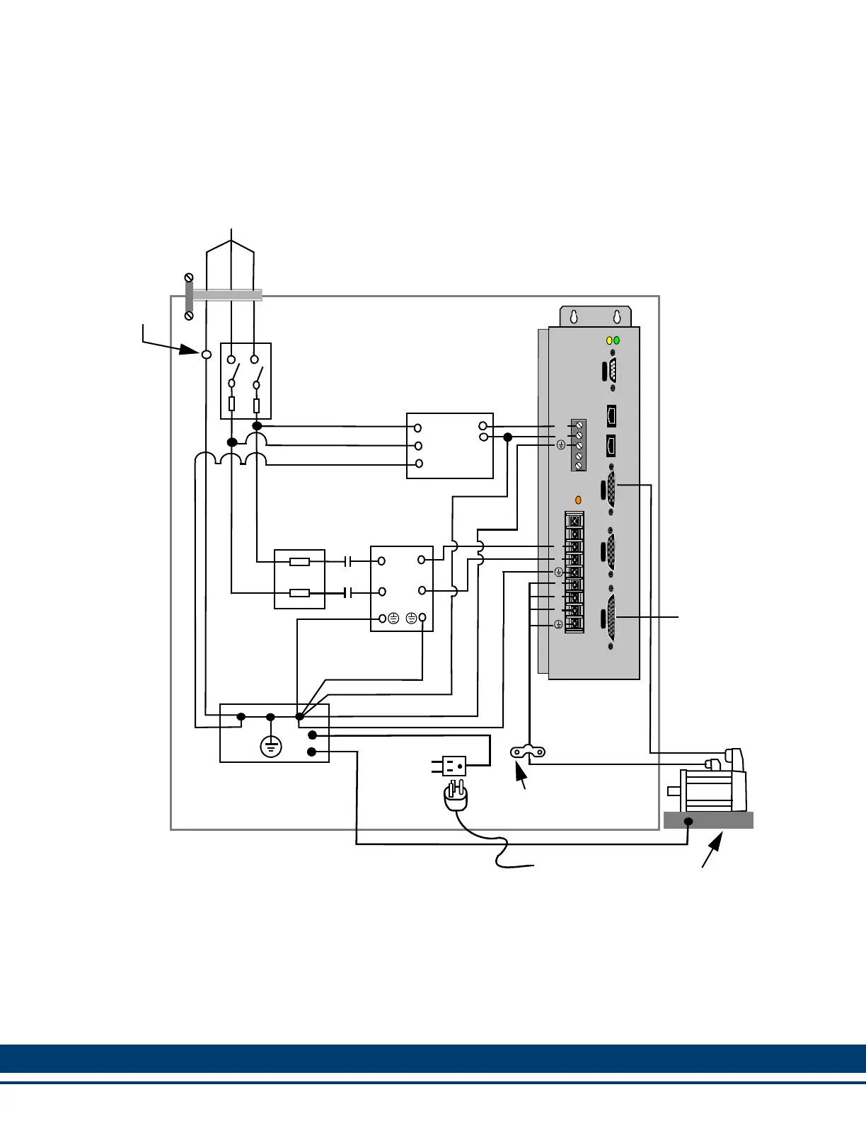
3.11.1 Grounding Requirements
Figure 3-1: Example of Grounding Required for CE Compliant Single Phase
230V Drive System
Mount the filter as close to the Drive as possible. If the distance exceeds 600 mm
(2.0 ft), use shielded cable between the Drive and the filter, strapping the shield to
chassis at each end of the cable. This is particularly important for attenuation of
higher frequency emissions (5-30 MHz).
+24V
COM
BR+
BR-
W
V
U
L2
L1
B-
B+
CAUTION - Risk of Electric Shock
High Voltage may exist up to 10 minutes after removing power
P
1
I
N
O
U
T
DC BUS
F
1
F
2
I
O
In-coming
Single Point
Drive I/O
Ground (SPG)*
Supply
Ground
ENCLOSURE
Terminal
24V Power
Supply
Supply Circuit
Disconnecting
Means
SCPD
M
M
AC Line
Filter
Motor
Feedback
Grounding
Clamp
Motor Power
* Equipment Ground, AC Common, and DC Common are
tied together at one point only, Single Point Ground (SPG).
PE
In-coming
AC Power (Mains)
Machine
Base
Auxiliary
Power
To Workstation
or other Device

Table of Contents