EasyManua.ls Logo

Kubota MX5100 - Page 284

Kubota MX5100
454 pages
Print Icon
To Next Page IconTo Next Page
To Next Page IconTo Next Page
To Previous Page IconTo Previous Page
To Previous Page IconTo Previous Page
Loading...
5-M2
MX5100, WSM
BRAKES
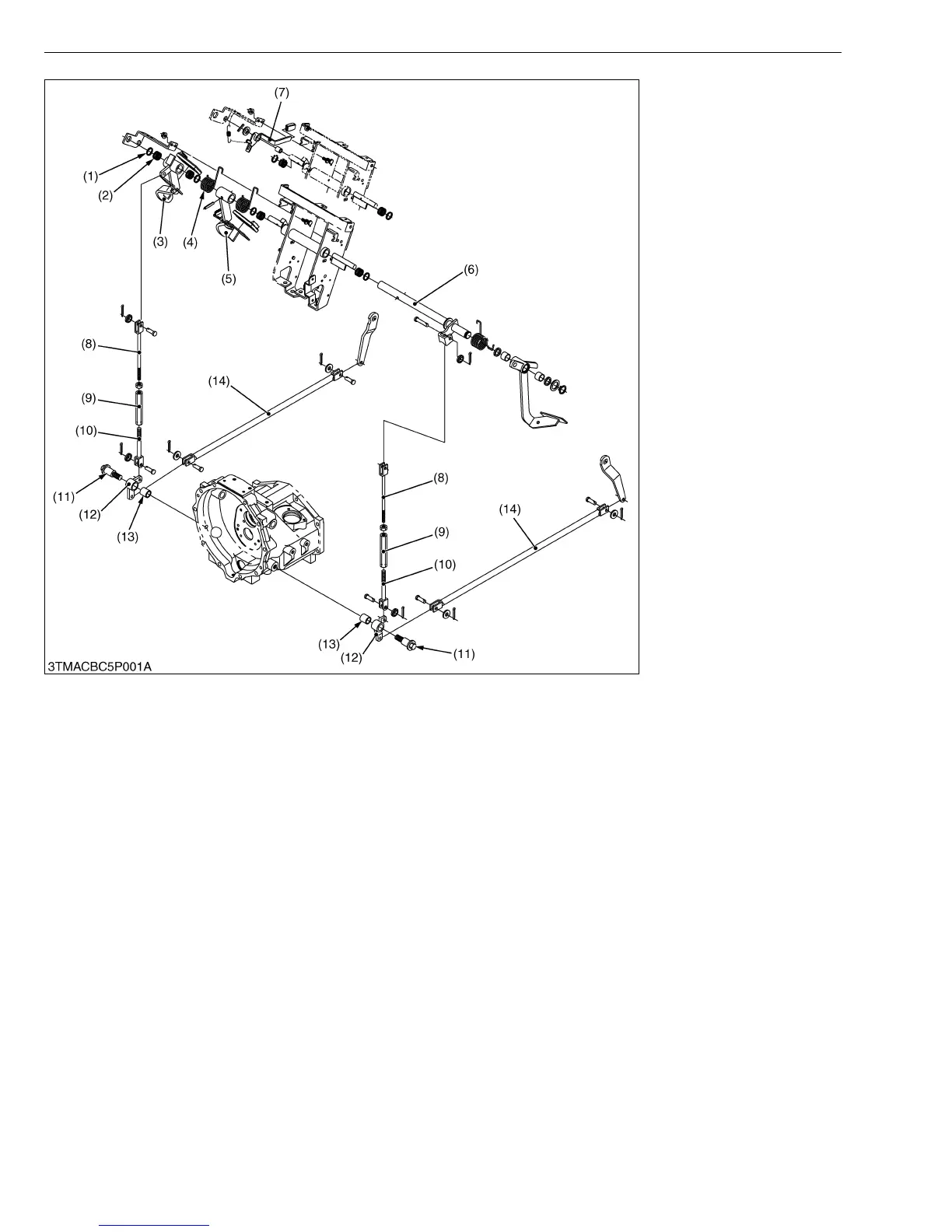
W10127640
(1) Oil Seal
(2) Needle Bearing
(3) Brake Pedal
(4) Return Spring
(5) Brake Pedal LH
(6) Brake Pedal Shaft
(7) Parking Brake Lock
(8) Brake Rod 1
(9) Turnbuckle
(10) Brake Rod 2
(11) Brake Lever Link Shaft
(12) Brake Lever
(13) Bushing
(14) Brake Rod 3

Table of Contents