EasyManua.ls Logo

Lenze i950

Lenze i950
496 pages
To Next Page IconTo Next Page
To Next Page IconTo Next Page
To Previous Page IconTo Previous Page
To Previous Page IconTo Previous Page
Loading...
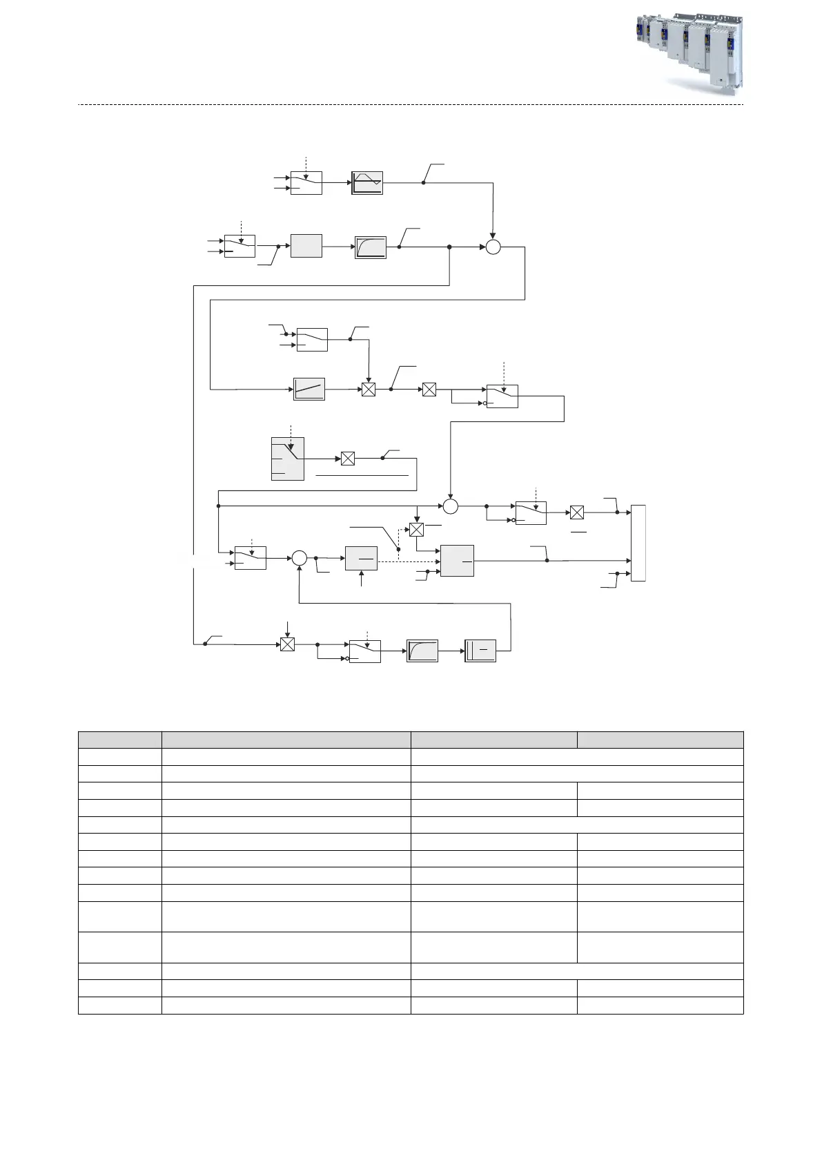
7.14 Signal ow
1
d ´p
Source line velocity
0x5020:020
Dancer ectual
position
0x5050:025
S
calling
-100...100%
unwind
rewind
+
+
Material feeding from above
0x5050:010, Bit 28
Encoder: Act velocity
0x5008:011
Master velocity in
0x5021:152
Actual line velocity
0x5051:009
Set line velocity
0x5050:012
0
1
3
+
+
In: Dan
cer set position
0x5050:023
Dancer set position
0x5052:078
Enable internal dancer
set pos 0x5052:177
Source dancer act. pos.
0x5020:023
DancerCtrl: Current set
value 0x5052:187
Analoginput 1
0x2DA4:005
Dancer position raw value
0x5052:190
Dancer position:PT1 filter time
0x5052:188
Dancer act. pos. filtered
0x5052:189
Dancer position
evaluation
PT1-Filter
+
-
DancerCtrl influence
0x5052:175
Act. moment of inertia
0x5051:110
Dancer control influence
0x5050:024
Enable int. DancerCtrl
influence 0x5052:174
Valid dancer ctrl influence
0x5052:176
Dancer control
DancerCtrl: Current output
0x5051:012
Reference line velocity
0x5051:012
Status Bit, Unwind operation
0x5050:110, Bit 17
Resulting speed set value
0x5051:033
Motor control interface
Act. SpeCtrl gain factor
0x5051:032
Torque setpoint from
AccComp 0x5051:124
Valid velocity Dcalc
0x5051:064
Resulting speed set
value 0x5051:033
Actual diameter
0x5051:096
Source line velocity
Dcalc 0x5051:069
Encoder: Act.
velocity 0x500B:011
Diameter
calculation
Acceleration
compensation
Dancer act. position
filtered 0x5052:189
rewind
unwind
Stored material length
in dancer 0x5052:200
Unwind operation
0x5050:110, Bit17
Movement comp:
PT1 filter time
0x5052:201
Factor v_Line: numerator 0x5051:007
Factor v_Line: denominator 0x5051:008
d
M J
dt
w
= ´
v
d
n
=
´p
1
d ´p
d
dt
Fig. 57: Dancer control signal ow
Relevant parameters of other funcons
Address Designaon Default seng Seng range
0x2DA4:005 Diagnoscs of analog input 1: Scaled percent value x.xx % (Read only)
0x500B:011 Actual velocity - (Read only)
0x5020:020 Line velocity source External [0] Selecon list
0x5020:023 Actual dancer
posion source Analog input 1 [1] Selecon list
0x5021:152 System bus diagnoscs: Velocity (input value) - (Read only)
0x5050:012 Set velocity (control word 2) 0.0000 mm/s 0.0000 ... 214748.3647 mm/s
0x5050:023 Set dancer posion (input value) 0.00 % -100.00 ... 100.00 %
0x5050:024 Dancer control inuence (control word 5) 0.00 % 0.00 ... 21474836.47 %
0x5050:025 Actual dancer posion (input value) 0.00 -21474836.48 ... 21474836.47
0x5051:007 Evaluaon line velocity - numerator 1.0000000000 -2147483648.0000000000 ...
2147483647.0000000000
0x5051:008 Evaluaon line velocity - denominator 1.0000000000 -2147483648.0000000000 ...
2147483647.0000000000
0x5051:009 Actual line velocity x.xxxx mm/s (Read only)
0x5051:012 Line velocity reference 1000.0000 mm/s 0.0000 ... 214748.3647 mm/s
0x5051:030 Speed controller adapon mode Vp
adapon = d² [0] Selecon list
Conguring the "Winder Dancer" TA
Signal ow
142

Table of Contents

Other manuals for Lenze i950

Related product manuals