EasyManua.ls Logo

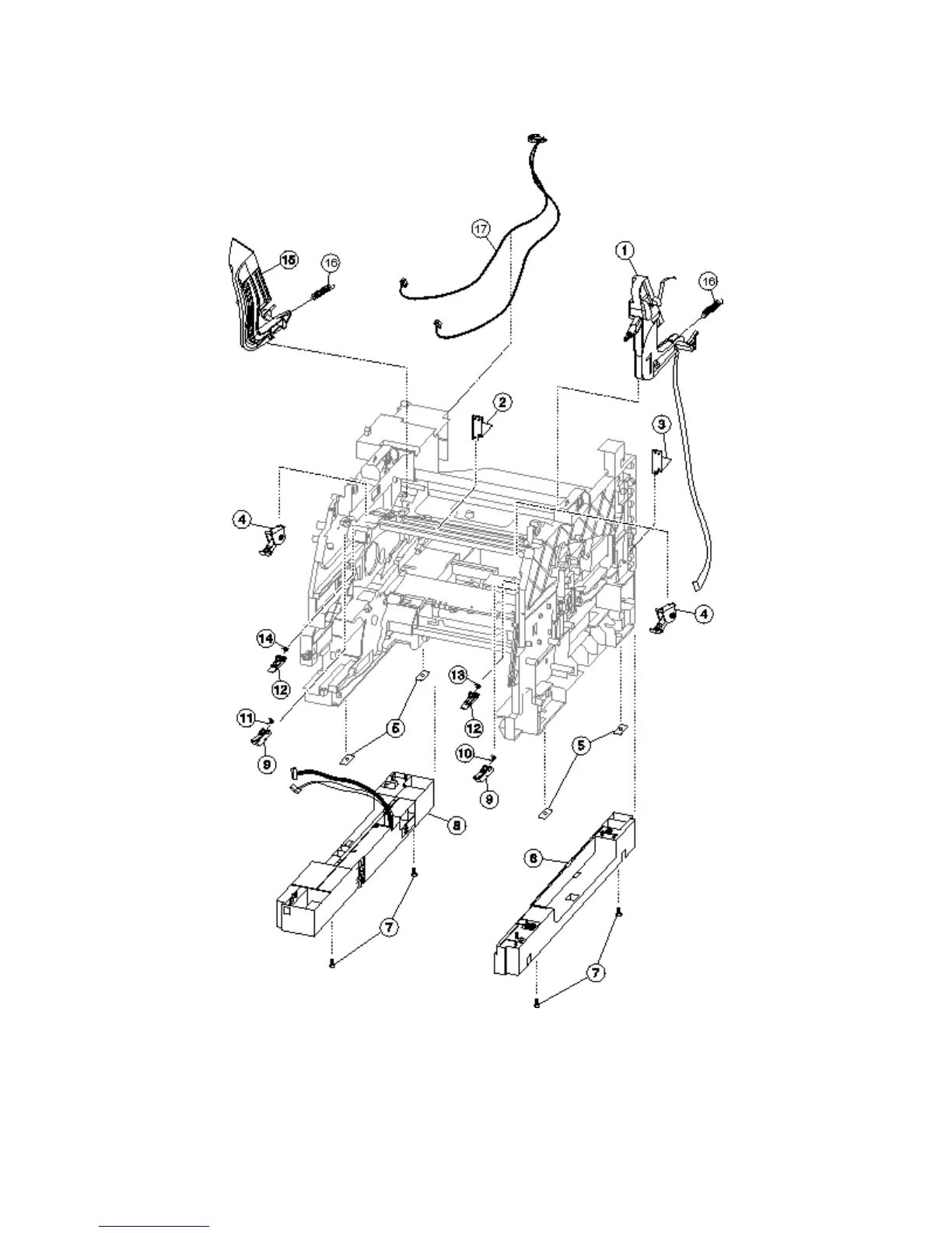
Lexmark MS81 Series - Assembly 7: Frame

Lexmark MS81 Series
645 pages
Print Icon
To Next Page IconTo Next Page
To Next Page IconTo Next Page
To Previous Page IconTo Previous Page
To Previous Page IconTo Previous Page
Loading...
Assembly 7: Frame
4063
Parts catalog
547

Table of Contents