EasyManua.ls Logo

LSIS XEC-DP64H - Page 305

LSIS XEC-DP64H
315 pages
Print Icon
To Next Page IconTo Next Page
To Next Page IconTo Next Page
To Previous Page IconTo Previous Page
To Previous Page IconTo Previous Page
Loading...
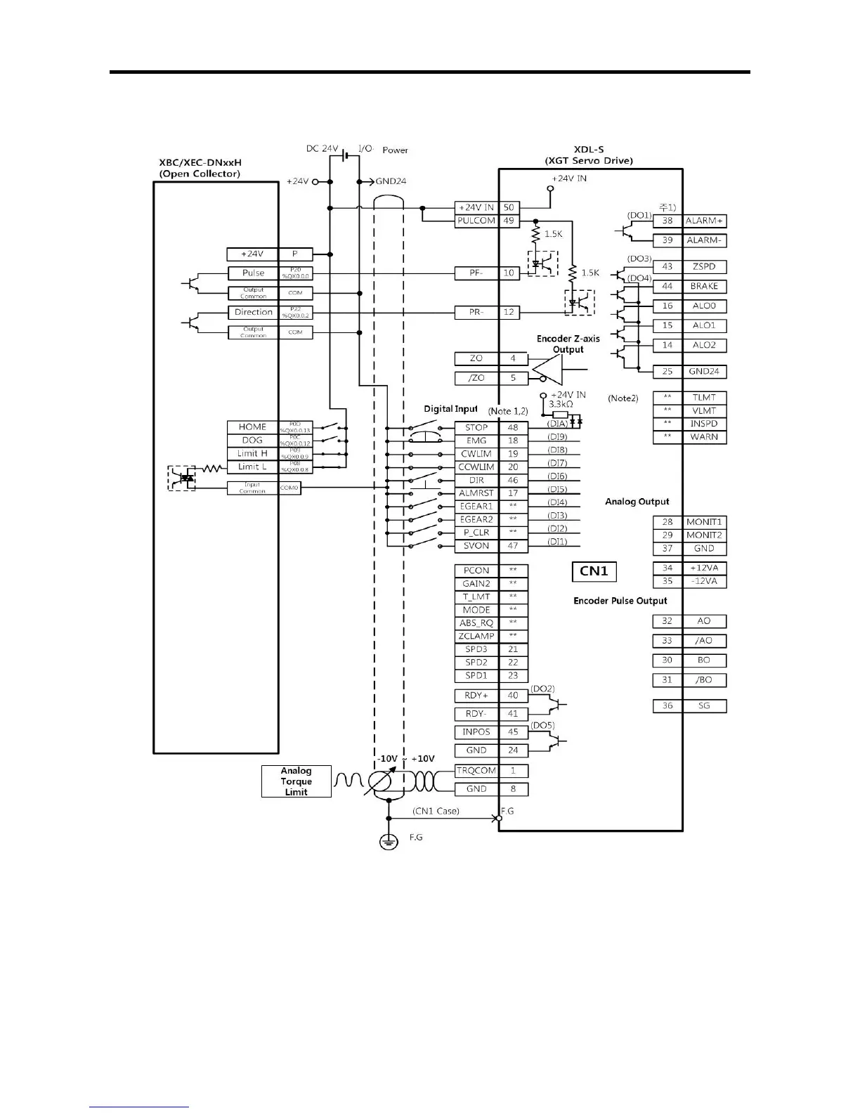
Appendix 3 Motor Wiring Example
App.3 - 7
(b) In case of XBC/XEC-DN**H
This picture is based on 1-axis. For more information about 2-axis wiring, refer to
pin information.
(Note1) Input Signal DI1~DIA, Output Signal DO1~DO5 is assigned initial signal from factory shipment
(Note2) ** Not assigned Signal. Allocation can be changed by setting servo parameter

Table of Contents

Related product manuals