EasyManua.ls Logo

Siemens simovert masterdrives - Page 1049

Siemens simovert masterdrives
1547 pages
Print Icon
To Next Page IconTo Next Page
To Next Page IconTo Next Page
To Previous Page IconTo Previous Page
To Previous Page IconTo Previous Page
Loading...
-745 -
Function diagram
87654321
fp_mc_745_e.vsd
Free blocks
MASTERDRIVES MC
12.08.04
Cam-contactor groups
V2.5
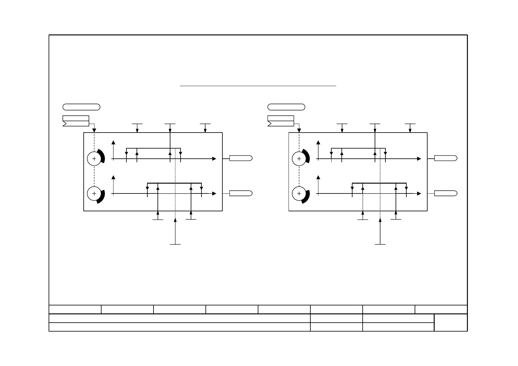
2 cam-contactor groups each with 2 cams (2-word) {5 µs}
U155
Y1
X
X
Y2
Y1
Y2
<1>
U155
U155U155
U161
Y1
X
X
Y2
Y1
Y2
<1>
U161
U161U161
<1> <1>
Axis cycle
U161.2 (0)
Axis cycle
U155.2 (0)
U950.60 = __ (20)
ON position 1
-2 147 483 647..
..2 147 483 647
U156.F (0)
OFF position 1
-2 147 483 647..
..2 147 483 647
U157.F (0)
Hysteresis
0..2 147 483 647
U155.1 (0)
ON position 2
-2 147 483 647..
..2 147 483 647
U158.F (0)
OFF position 2
-2 147 483 647..
..2 147 483 647
U159.F (0)
B0480
B0481
KK
U154 (0)
U950.61 = __ (20)
ON position 1
-2 147 483 647..
..2 147 483 647
U162.F (0)
OFF position 1
-2 147 483 647..
..2 147 483 647
U163.F (0)
Hysteresis
0..2 147 483 647
U161.1 (0)
ON position 2
-2 147 483 647..
..2 147 483 647
U164.F (0)
OFF position 2
-2 147 483 647..
..2 147 483 647
U165.F (0)
B0482
B0483
KK
U160 (0)
<1>
In the case of a round shaft,
a cam overscoring the zero point
can be realized by ORing
the two cam outputs.
<1>
In the case of a round shaft,
a cam overscoring the zero point
can be realized by ORing
the two cam outputs.
If the input variable is a rotary axis and a cam passes the axis cycle jump of the
rotary axis, the axis cycle of the rotary axis has to be entered in parameter U155.2.
To ensure that cam 1 does not overlap with itself, the following restriction must be
observed:
The hysteresis must be smaller than half the difference between the axis cycle and
the cam size. If this condition is not fulfilled, the output binector remains off.
If the input variable is a rotary axis and a cam passes the axis cycle jump of the
rotary axis, the axis cycle of the rotary axis has to be entered in parameter U161.2.
To ensure that cam 1 does not overlap with itself, the following restriction must be
observed:
The hysteresis must be smaller than half the difference between the axis cycle and
the cam size. If this condition is not fulfilled, the output binector remains off.

Table of Contents

Other manuals for Siemens simovert masterdrives

Related product manuals