EasyManua.ls Logo

Siemens simovert masterdrives - Page 198

Siemens simovert masterdrives
1547 pages
To Next Page IconTo Next Page
To Next Page IconTo Next Page
To Previous Page IconTo Previous Page
To Previous Page IconTo Previous Page
Loading...
08.2012 Parameterizing Steps
Siemens AG 6SE7087-6QX70 (Version AN)
SIMOVERT MASTERDRIVES Compendium Motion Control 6-33
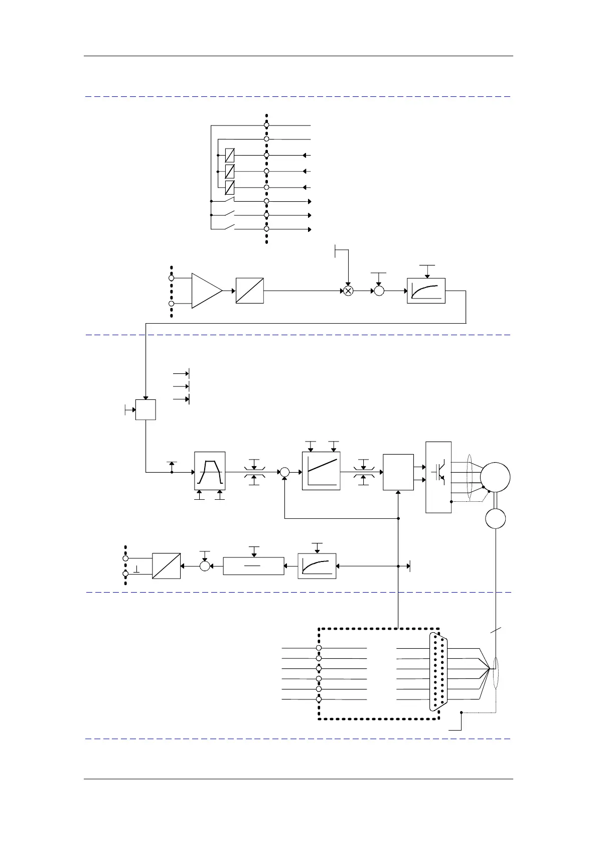
Data of resolver to be connected:
- 2-pole
Disp Speed Conn
r041.1
(= speed
setpoint)
Accel
Time P462.1
Decel
Time P464.1
n(max, FWD speed)
P452.1
n(max, REV speed)
P453.1
n-Reg. Gain1
P235.1
n-Reg. Time
P240.1
FSetp
Torq(Lim1)
P263.1
FSetp
Torq (Lim2)
P264.1
Current
control
Motor
encoder
Motor
3~
AnaOut Smooth
P642.1
AnaOut Scale
P643.1
AnaOut Offset
P644.1
A
D
+/- 10 V
-X101/11
y[V]= P643.1
x
100 %
Analog output
xy
-X101/12
AA
Disp Speed Conn
r041.2
(=speed actual value )
SBR1/2
-X414/3
6
Shield connection
Type of encoder:
Resolver
-X414/4
-X414/6
-X414/7
-X414/9
sin +
sin -
cos+
cos-
Excitation
M
Excitationg
-X414/11
Control type:
Speed
control
r003 Output Volts
r004 Output Amps
r006 DC Bus Volts
Ref-
speed
P353
Norm.
P24
M24
1 = Operation
0 = Fault
1-Edge = Acknowledge
1 = ON 0 = OFF1
-X101/1
1 = Inverter relesae
-X101/2
-X101/3
-X101/4
-X101/6
-X101/7
-X101/8
Setpoint and command source
Terminal strip and
analog input
0 = Alarm
-X101/5
AnaIn Scale
P630
Differential input
-X101/9
AnaIn Offset
P631
AnaIn Smooth
P634
+/- 10 V
A
D
-10 V ... + 10V
corresponds to
-100 % ... +100 %
-X101/10
AI+
AI-
-X410/95
-X410/93
-X410/94
-X410/91
-X410/92
-X410/90 Track A+
Track A-
Track B+
Track B-
Zero pulse +
Zero pulse -
Pulse encoder simulation:
(only for SBR2)
Data of pulse encoder simulation:
- 1024 pulses/revolution

Table of Contents

Other manuals for Siemens simovert masterdrives

Related product manuals