EasyManua.ls Logo

Siemens simovert masterdrives - Page 200

Siemens simovert masterdrives
1547 pages
Print Icon
To Next Page IconTo Next Page
To Next Page IconTo Next Page
To Previous Page IconTo Previous Page
To Previous Page IconTo Previous Page
Loading...
08.2012 Parameterizing Steps
Siemens AG 6SE7087-6QX70 (Version AN)
SIMOVERT MASTERDRIVES Compendium Motion Control 6-35
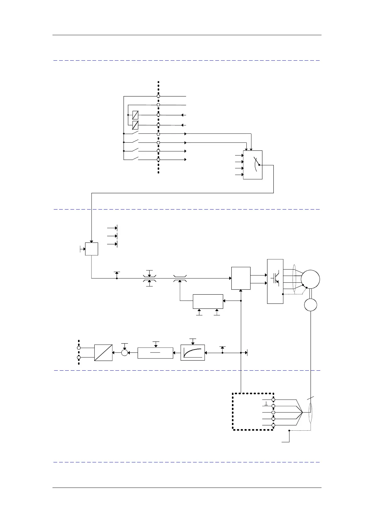
SBP
Data of pulse encoder to be connected:
- HTL encoder (15 V)
- 1024 Inc.
- without control track
-X400/60
5
U
Track A+
Zero pulse +
B
Disp Torq Conn
r039.1
(=Torque
setpoint)
FSetp Torq(Lim1)
P263
FSetp Torq(Lim2)
P264
Current
control
Shield
connection
0 0
0 1
1 0
1 1
FSetp1
FSetp2
FSetp3
FSetp4
AnaOut Smooth
P642.1
AnaOut Scale
P643.1
AnaOut Offset
P644.F
A
D
+/- 10 V
-X101/11
y[V]= P643
x
100 %
Analog output
xy
-X101/12
AnaOut-
AnaOut+
Disp Torq Conn
r039.2
(=Torque actual
value)
Control type:
Torque
control
r003 Output Volts
r004 Output Amps
r006 DC Bus Volts
Ref
Torque
P354
Norm
P24
M24
1 = Operation
0 = Fault
FSetp Bit 0
1-Edge = Acknowledge
1 =ON 0 = OFF1
-X101/1
FSetp Bit 1
-X101/2
-X101/3
-X101/4
-X101/5
-X101/6
-X101/7
-X101/8
Setpoint and command source:
Terminal strip and fixed setpoints (FSetp)
Type of encoder:
Pulse encoder
-X400/61
-X401/68
-X401/70
-X401/72
Track B+
Disp Speed Conn
r041.2
(=speed actual value)
Speed
monitoring
n(max FWD speed)
P452
n(max REV speed)
P453
Motor
encoder
Motor
3~
Full information on pulse encoder connection is
given in the SBP operating instruction
(Order No. 6SE7087-6NX84-2FA0).

Table of Contents

Other manuals for Siemens simovert masterdrives

Related product manuals