EasyManua.ls Logo

Siemens simovert masterdrives - Page 431

Siemens simovert masterdrives
1547 pages
To Next Page IconTo Next Page
To Next Page IconTo Next Page
To Previous Page IconTo Previous Page
To Previous Page IconTo Previous Page
Loading...
09.2008 Communication / PROFIBUS
Siemens AG 6SE7087-6QX70 (Version AK)
SIMOVERT MASTERDRIVES Compendium Motion Control 8.2-101
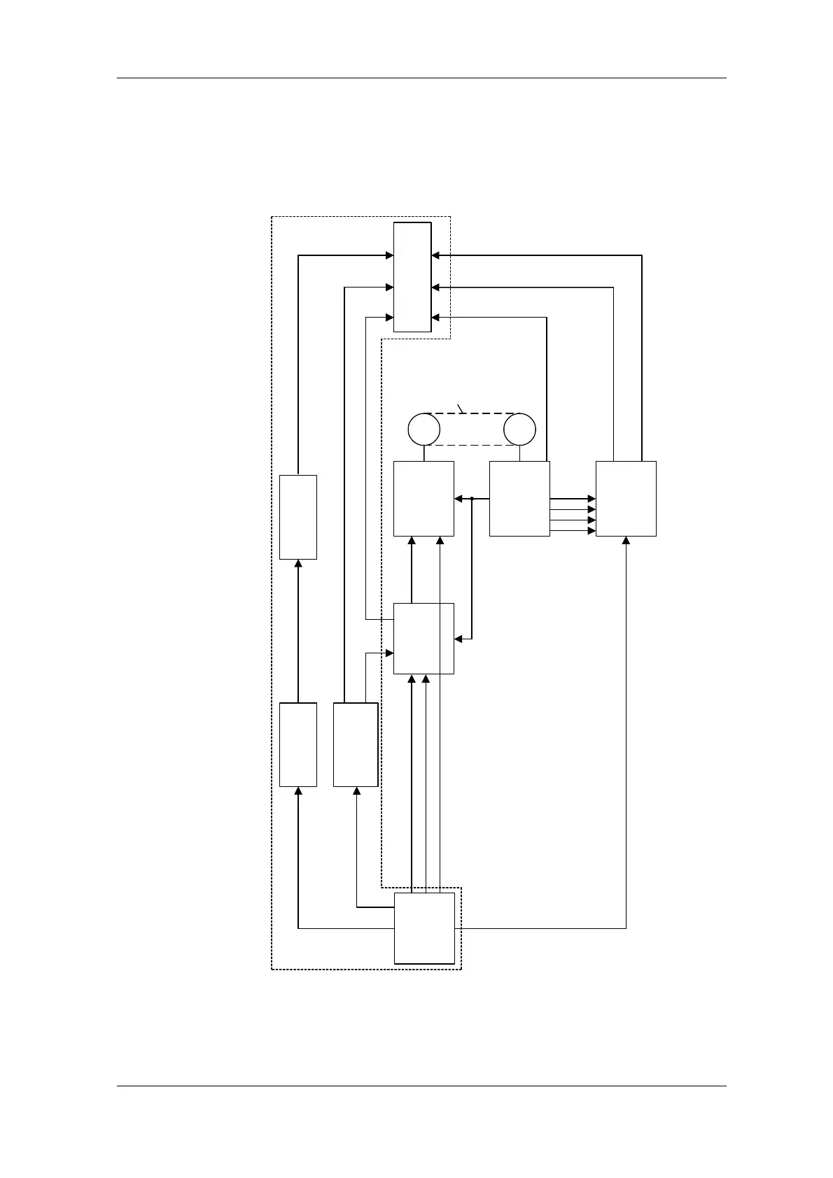
Linking the MASTERDRIVES MC to SIMOTION using standard
telegram 5.
Fig. 8.2-34 shows an overview of the interconnection required for
standard telegram 5. This connection is made using the scriptfile on the
SIMOTION CD:
Control word 1
[FD 180]
acts on
Status word 1
[FD 200]
Status word 1 (K0032)
Transmit PROFIBUS-
signals [FD 125]
Monitor life sign
[FD 170]
DSC core
Fig. 8.2-36
Slave life sign (K0256)
Actual position value scanned in master application cycle (KK0526)
Position setpoint
(KK0457)
Position
control
[FD 340]
DSC-Position Xerr (KK3036)
Position control gain Kpc (KK3038)
Speed precontrol value (KK3032)
Receive
PROFIBUS
signals
[FD 120]
(KK3032)
M
Motor
G
Encoder
Position
sensing
Mech.
coupling
Position act.value
(KK0120)
Encoder
interface
[FD 172a]
Position measurement (KK0122), Position act.value
(KK0120), Reference value G1 (KK0124),
Encoder checkback signals (at U923.x)
Encoder 1 - Control word
(K3005 to parameter U921)
Control word 1
(B3100 to B3115)
Encoder 1 - Position act.value 2
(KK0912)
Encoder 1 - Status word (K0910)
Fig. 8.2-35
Master life sign (K3004)
Speed act-value (KK0091)
Fig. 8.2-34 Block diagram: MASTERDRIVES as PROFIdrive version 3 slave
Sample application

Table of Contents

Other manuals for Siemens simovert masterdrives

Related product manuals