EasyManua.ls Logo

Siemens simovert masterdrives - Forming Circuit Components; Forming Procedure Safety Warning; Forming Procedure Steps; Forming Time Graph

Siemens simovert masterdrives
1547 pages
Print Icon
To Next Page IconTo Next Page
To Next Page IconTo Next Page
To Previous Page IconTo Previous Page
To Previous Page IconTo Previous Page
Loading...
Configuration and Connection Examples 12.2010
6SE7087-6QX70 (Version AM) Siemens AG
2-42 Compendium Motion Control SIMOVERT MASTERDRIVES
Emergency
Stop
-S3
On
-S1
+24V
-A2
Closed
Open
-S5
-S4
M
3
P24V
1
2
3
4
M
PV
SIMOVERT
MASTERDRIVES
U2 V2 W2
Control
board
CU
Option K80
U1 V1 W1
X533
Line
contactor
-Q1
Main switch
Mains
-K2
-K1
Safety relay
-K3
Contactor
relay
-K3
M
OFF3
Line
contactor
-K2
M
A1 Y11 Y12 Y21 Y22
14
3TK2842
28
A2 Y32 Y34
Y35
tv
1
-K3
M M
-K4
M
-K4
-K2
-K4
A1 Y11 Y12 Y21 Y22
14
3TK2842
28
A2 Y32 Y34
Y35
tv
1
-A1
M
A1 Y11 Y12 Y21 Y22
14
3TK2842
28
A2 Y32 Y34
Y35
1
-A3
Y32
Y32
Y32
tv
-K3
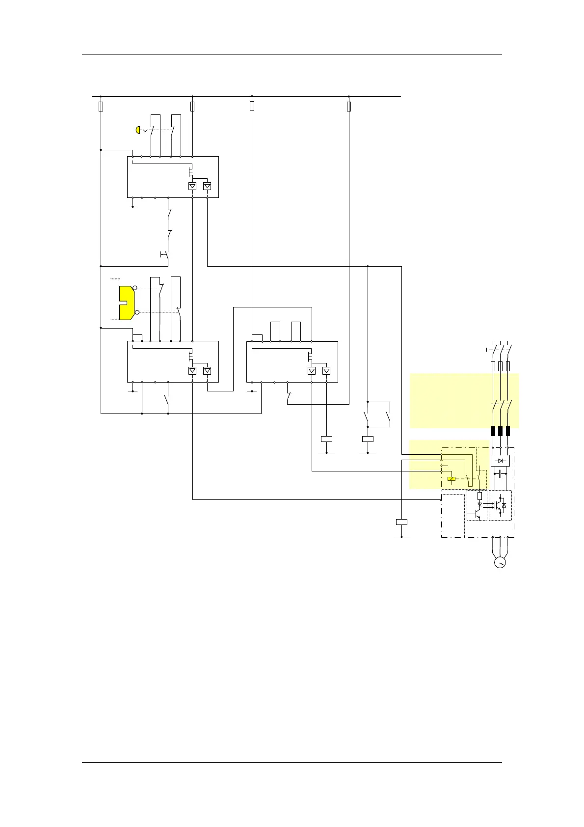
Fig. 2-15 Emergency Stop and protective door monitoring on a Compact PLUS
converter – SS1 on drive

Table of Contents

Other manuals for Siemens simovert masterdrives

Related product manuals