EasyManua.ls Logo

Siemens simovert masterdrives - Page 956

Siemens simovert masterdrives
1547 pages
Print Icon
To Next Page IconTo Next Page
To Next Page IconTo Next Page
To Previous Page IconTo Previous Page
To Previous Page IconTo Previous Page
Loading...
Function diagram
87654321
fp_mc_090_e.vsd
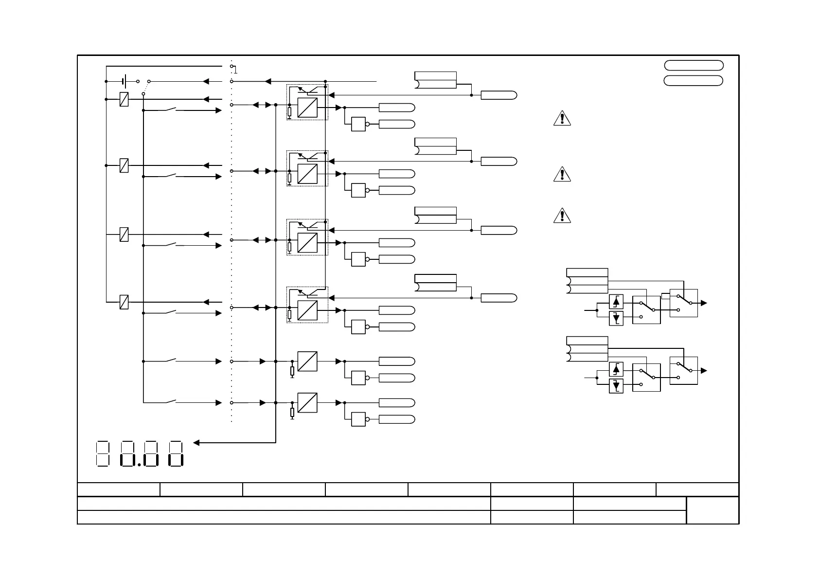
MC terminals
MASTERDRIVES MC
02.02.04
Digital inputs/outputs
- 90 -
V2.5
5V
24 V
1
5V
24 V
1
5V
24 V
1
1
/1 24 V
/3
/4
/5
/6
/2 ground
5V
24 V
1
/7
5V
24 V
1
/8
-X101
-
+
20 mA
Terminals -X101/3 to -X101/6 can be used as digital
inputs or digital outputs.
If they are used as digital inputs, parameters P651.B,
P652.B, P653.B and P654.B must be set to 0.
Terminals -X101/7 and -X101/8 can only be used as
digital inputs.
Status DigIn r646
5V
24 V
User circuit
Inputs
Outputs
20 mA
20 mA
20 mA
P24
Conf DigIn 4
0...5
P647.B (0)
Conf DigIn 5
0...5
P648.B (0)
20 mA
20 mA
2
0
2
1
2
2
2
3
2
4
2
5
For correct functioning of P647, P648 = 1/2 the
appropriate digital input in control word 1 [180.1]must
be additionally connected as "OFF2".
At the digital inputs, levels below 3 V are recognized
as low and levels above 13 V are recognized as high.
Meaning of P647 and P648:
0 Normal digital input
1 Immediate pulse disable (OFF2) with rising signal edge
2 Immediate pulse disable (OFF2) with falling signal edge
3 Adoption of position measured value with rising edge
4 Adoption of position measured value with falling edge
5 Configuration of position measured value per binector
(P645,P649)
10 9 876543
Signal status display for
digital input/output terminals
on the PMU in r646:
The digital inputs at terminals 6, 7 and 8 are switched to positioning (function
diagram 813.1) in the factory setting.
<1>
<1> If the digital inputs are supplied by an external
24 V voltage source, this has to correspond to
ground X101.2. The terminal X101.1 must not be
linked to the external 24 V supply.
0
1
0
1
0
.1
Conf DigIn 4 = 5
[330.5]
Pos
sensing
0
1
0
1
0
.1
Conf DigIn 5 = 5
[330.5]
Pos
Sensing
B
P651.B(0)
SrcDigOut 1
B0010 DigIn 1
B0025
DigOut 1
B0011 DigIn 1 inv.
B
P652.B(0)
Src DigOut.2
B0012 DigIn 2
B0026
DigOut 2
B0013 DigIn 2 inv.
B
P653.B (0)
Src DigOut 3
B0014 DigIn 3
B0027
DigOut3
B0015 DigIn 3 inv.
B
P654.B (0)
Src DigOut 4
B0016 DigIn 4
B0028
DigOut 4
B0017 DigIn 4 inv.
B0018 DigIn 5
B0019 DigIn 5 inv.
B0020 DigIn 6
B0021 DigIn 6 inv.
U950.13 = ___(4)
U950.23 = ___(4)
B (1)
P645
Src Conf DigIn 4
B (0)
.2
B (1)
P649
Src Conf DigIn5
B (0)
.2

Table of Contents

Other manuals for Siemens simovert masterdrives

Related product manuals