EasyManua.ls Logo

Siemens simovert masterdrives - Page 958

Siemens simovert masterdrives
1547 pages
Print Icon
To Next Page IconTo Next Page
To Next Page IconTo Next Page
To Previous Page IconTo Previous Page
To Previous Page IconTo Previous Page
Loading...
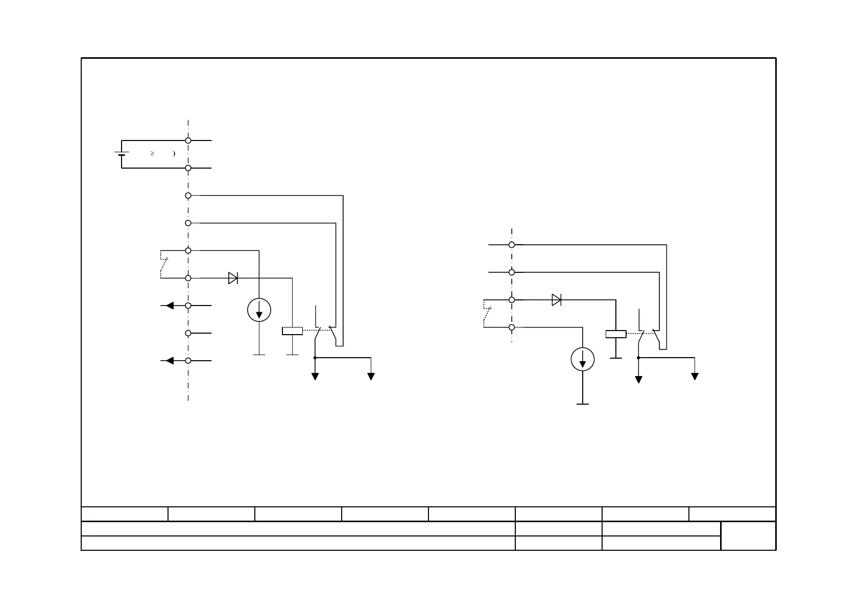
Function diagram
87654321
fp_mc_092_e.vsd
"Safe Stop" function
MASTERDRIVES MC
07.01.02
- 92 -
/1
/2
-X9
24 V ( 2.1 A
/3
/4
/5
/6
/7
/8
/9
to main contactor
DC 30 V, 24 W
AC 60 V, 60 VA
Checkback contact
"Safe Stop"
DC 30 V / 2 A
DC 24 V
30 mA
M
Safe Stop
Shutdown path
opto-coupler / fiber-optic
cable
P15
/1
/2
/3
/4
Checkback contact
"Safe Stop"
DC 30 V / 1 A
DC 30 V / 2 A
DC 24 V
30 mA
M
SS
[91.8]
Shutdown path
opto-coupler / fiber-optic cable
P15
- X533
Safe Stop
[91.5]
<1>
<2>
<1>
<2>
Safe Stop
[91.8]
V2.5
Compact type unit
(only inverter)
Compact PLUS type unit
Chassis type unit
P24
M
<3> <4>
<3> <4>
<3> Safety switch "Safe Stop" active when switch is open
<4> results in OFF2 [180.2]

Table of Contents

Other manuals for Siemens simovert masterdrives

Related product manuals