EasyManua.ls Logo

Siemens simovert masterdrives - Page 984

Siemens simovert masterdrives
1547 pages
To Next Page IconTo Next Page
To Next Page IconTo Next Page
To Previous Page IconTo Previous Page
To Previous Page IconTo Previous Page
Loading...
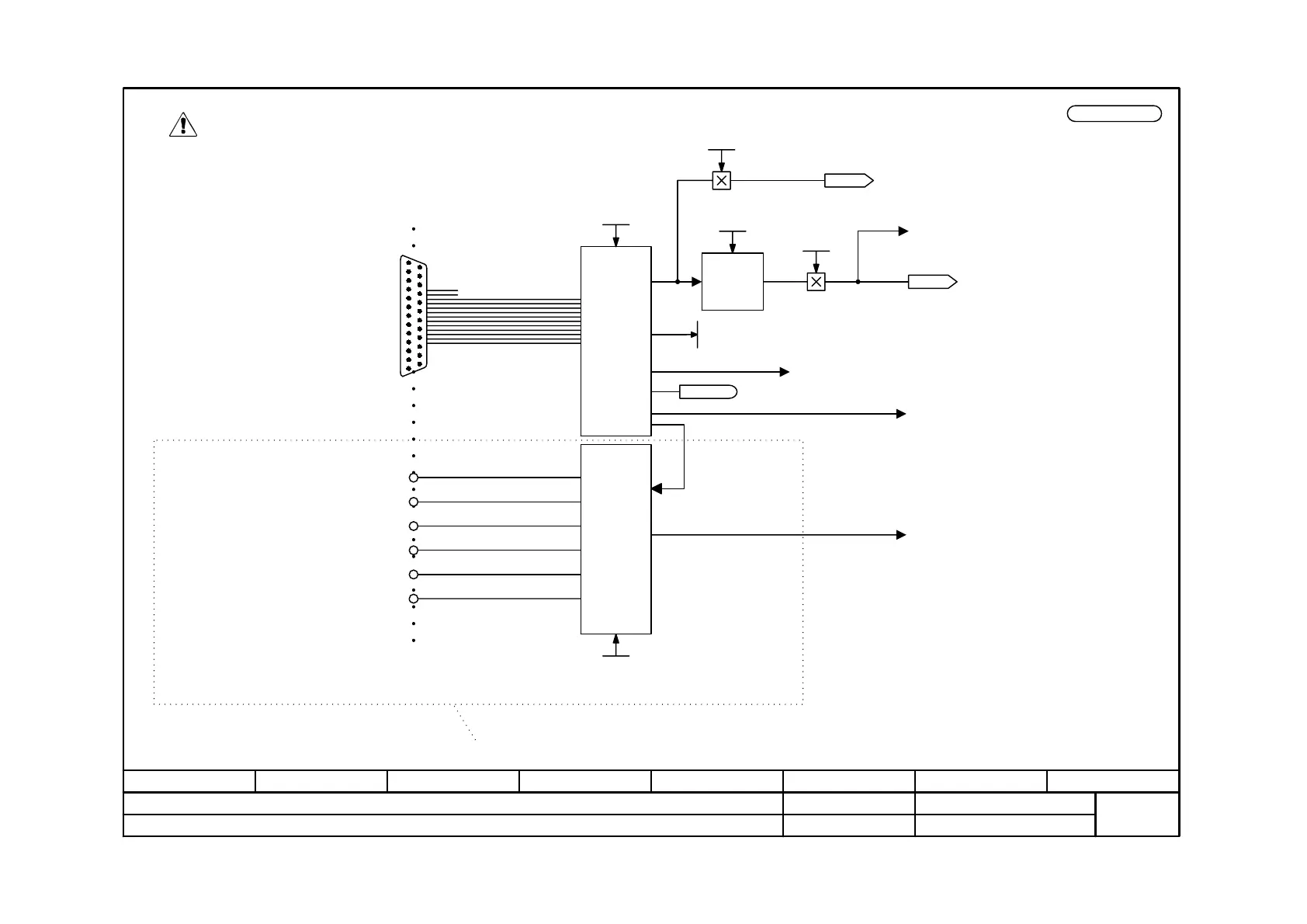
Function diagram
87654321
fp_mc_230_e.vsd
Encoder
MASTERDRIVES MC
08.09.04
Resolver evaluation, motor encoder (SBR1/2 in slot C)
-230 -
V2.5
PTC / KTY
(see "Actual values" sheet
[491])
Pin assignment -X414:
3:SIN+
4:SIN-
5 : Internal shield for 3+4
6:COS+
7:COS-
8 : Internal shield for 6+7
9:+V
ss
11 : -V
ss
13 : +Temp
24 : Internal shield for 13+25
25 : -Temp
-X414
Resolver
evaluation
and excitation
Adjustment
F051 Encoder fault
A018 Encoder adjustment alarm
Pulse
encoder
simulation
(only with
SBR2)
<1>
P134:
0:512 pulses/revolution
1:1024 pulses/revolution
Zero pulse-
Track B-
Track B+
Track A-
Track A+
Zero pulse+
-X410/90
-X410/91
-X410/92
-X410/93
-X410/94
-X410/95
Non-floating
differential outputs
Pulse encoder
simulation
RS 422 standard
only for SBR2
to internal further
processing in an SBP
P130 = 1
P130 = 2
<1> The number of pulses per revolution applies to
a 2-pole resolver. In the case of resolvers with
more poles, the number of pulses per revolution
is correspondingly higher.
For further processing,
see "Actual values" sheet [500a]
<2>
<2> Range of values = 0 ... 2
32
-1
for one motor revolution
Note:
The signals are not isolated from potential.
A frame connection to X101/2 must also be
made.
The encoder connection may neither be closed nor removed when live!
The converter must be de-energized (24 V electronics power supply disconnected and DC link
fully discharged)!
Angle Offset
-180.00°...+180.00°
P132 (0.00)
Eval. motor encoder
P130
KK0090
Theta(mech.)
Sin/Cos Res
r133.1 / .2
0/1
Sel Encod SBR2
P134 (1)
n959.30 = 0
B0070 MeasV valid
KK0096
Resolver angle
Sign of P116
Transmission ratio
P116.1...2

Table of Contents

Other manuals for Siemens simovert masterdrives

Related product manuals