EasyManua.ls Logo

Siemens simovert masterdrives - Page 998

Siemens simovert masterdrives
1547 pages
Print Icon
To Next Page IconTo Next Page
To Next Page IconTo Next Page
To Previous Page IconTo Previous Page
To Previous Page IconTo Previous Page
Loading...
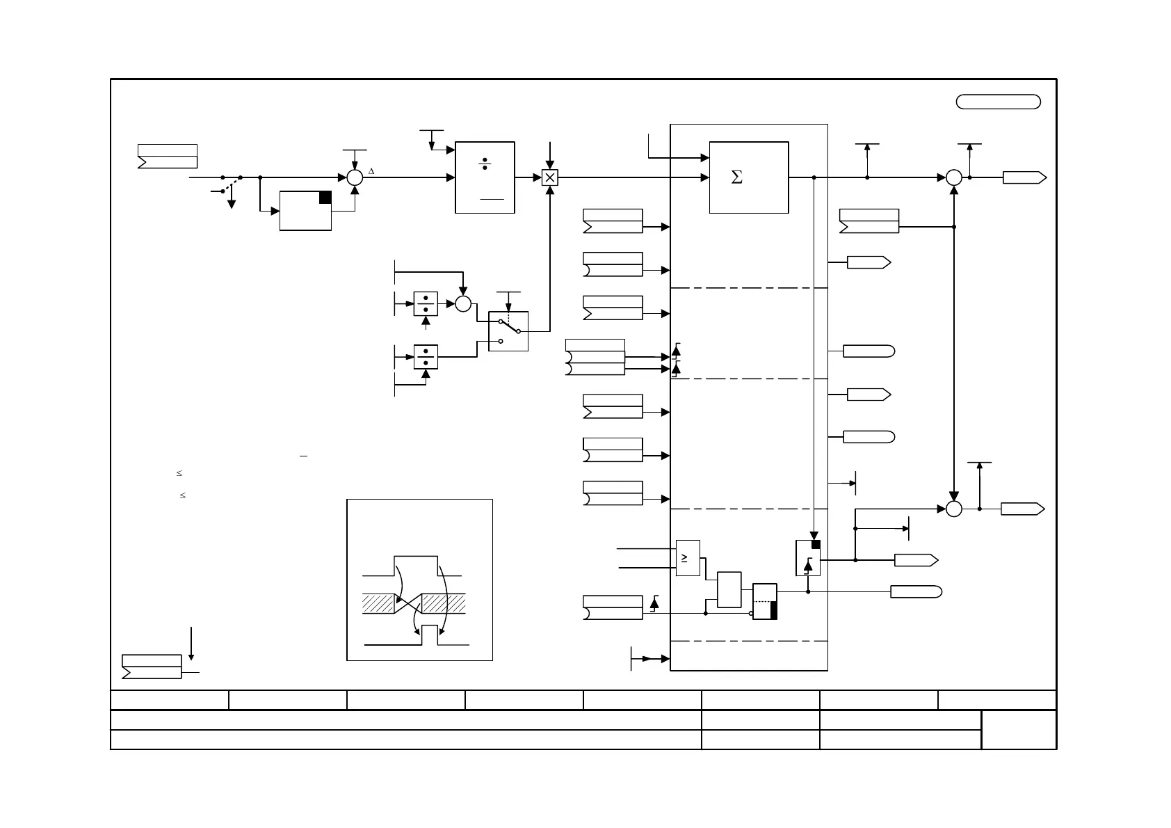
Function diagram
87654321
fp_mc_330_e.vsd
Position sensing
MASTERDRIVES MC
03.03.08
Motor encoder in slot C
-330 -
V2.5
Pre-assignment for the
rough position is the
rotor position (KK0090)
0
P183 = xxx0
Y
n
= X
n-1
+
+
position
(Position difference
between two
sampling times)
<1>
Shift division
Y=
X
2
(32-n)
n
XY
100000000
Factor: clockwise/,
anti-clockwise operation
[500a.4]
+
+
[LU]
[LU]
.01(303)
.02(304)
[LU]
Position sensing for
motor encoder in slot C
1
&
Digital input 4 (P647=3,4)
Digital input 5 (P648=3,4)
S
R
MOD
Position value memory
Reference point detection
The reference point is detected
with the following sequence
of control signals:
1. Referencing enable
is stipulated
2. Negative edge at the
rough-pulse input
3. Next rotor zero position
is detected.
Position correction
Position sensing
SV
Y = SV
COR
Y = Y + COR
Y = Y - COR
Summation
X
Y
n
= Y
n-1
+ X
n
X
n
Y
n
Position from last
sampling time
[LU]
[LU] means the unit of length defined
by the actual-value evaluation factor
P169/P170
<4>
Normal case:
P182 = 90, in the case of position
sensing by the motor encoder
Special case, when external
encoder is used for position sensing:
- P182 = 104; P135 = 3, 7
when position sensed by external
sin/cos encoder
- P182 = 104; P135 = 4
when position sensed for external
encoder, multiturn encoder
<4>
[815.5]
[815.5]
[815.5]
[815.5]
[815.5]
[815.5]
[815.5]
[815.5]
[90]
[230.6], [250.6], [240.6], [260.6]
<3>
These position manipulations are
carried out in a handshake
procedure:
Release or correct command
Acknowledgement
Position manipulation carried out
<1>
Resolution, position actual-value =
2
P171
increments/revolution
Example: P171 = 12
Resolution, position actual-value =
2
12
= 4096 increments/revolution
Appropriate values are:
- For resolver:
12
(4096 increments/revolution)
- For encoder:
24
(16777216 increments/revolution
0xxx
1xxx
<2>
<2>
When the position-feedback scaling factor (AVWF) is
changed or the resolution P171, the unit should be
switched off and on again
or
if the absolute encoder is in drive setting P60 = 5 and
changed back again, or a software reset P972 = 1
should be carried out.
<3>
[LU]
[LU]
Test connector for
service/diagnostic
purposes
Y
[815]
[815]
[815]
[815.5]
[LU]
+
+
[%]
+
+
<2>
<5> Start position
[327.7] for
absolute
encoder
KK
P182 (90)
Src Angle Pos
Offset RotorPos
-200.000 ... 199.999 %
P188 (0.000)
Pos Resolution
9 ... 30
P171 (12)
ActvWtF(bef.DP)
0 ... 999
P169 (1)
ActvWtF(aft.DP)
0 ... 99999999
P170 (0)
KK
P172 (0)
Src Pos SetV
B
P173 (302)
Src Set Position
KK
P174 (0)
Src PosCorr'nV
B
P175
Src Pos Corr'n
B
KK
P176 (0)
Src Ref SetV
B
P177 (307)
Src Release Ref
B
P178 (0)
Src Rough Pulse
B
P179 (308)
SrcRelMValVolts
Conf Pos Sensing
0 . 9999
P183 (11)
KK
Pxxx.B (0)
n959.50 = 1
Denominator P180.02 (1)
AVWF.numerator/denom
0 ... (2
31
-1)
Numerator P180.01 (1)
P183.01
KK0122
Position measured value memory
B0212
Ack. "PosMem Valid"
Measured rotor position
with neg. edge
at rough pulse
r189
KK
P184 (0)
Src Pos Offset
B0210
Ack. <3>
RefPoint sensed
B0211
Ack. <3>
Pos Corrrected
KK0121
Pos Test
KK0120
Pos ActV
Pos ActV
r185.01
Measured value memory
r186.01
KK0123
Position meas.-
value memory
with offset
Position actual value with offset
r185.02
Meas. value memory
with offset
r186.02
KK0124
PosMeasV
RefPoint
<5>
Parameter P183.01 = xxx2
Start position for the following encoders:
- Multiturn encoder with ser. protocol (EnDat/SSI)
- Opt. encoder with C/D track (if position tracking
is active)
- 2-pole resolver (if position tracking is active)

Table of Contents

Other manuals for Siemens simovert masterdrives

Related product manuals