EasyManua.ls Logo

Tandy 1400LT - Page 143

Tandy 1400LT
301 pages
Print Icon
To Next Page IconTo Next Page
To Next Page IconTo Next Page
To Previous Page IconTo Previous Page
To Previous Page IconTo Previous Page
Loading...
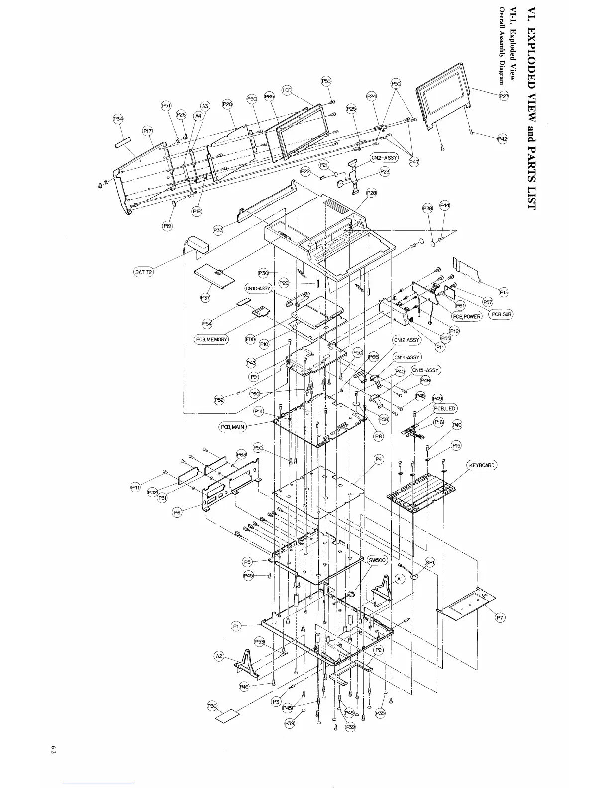
VI. EXPLODED VIEW
and
PARTS LIST
VI-1.
Overall
4
Q
6-2

Table of Contents

Related product manuals