EasyManua.ls Logo

Tandy 1400LT - IV-7. RAM Control Circuitry

Tandy 1400LT
301 pages
Print Icon
To Next Page IconTo Next Page
To Next Page IconTo Next Page
To Previous Page IconTo Previous Page
To Previous Page IconTo Previous Page
Loading...
IV-7. RAM
Control Circuit
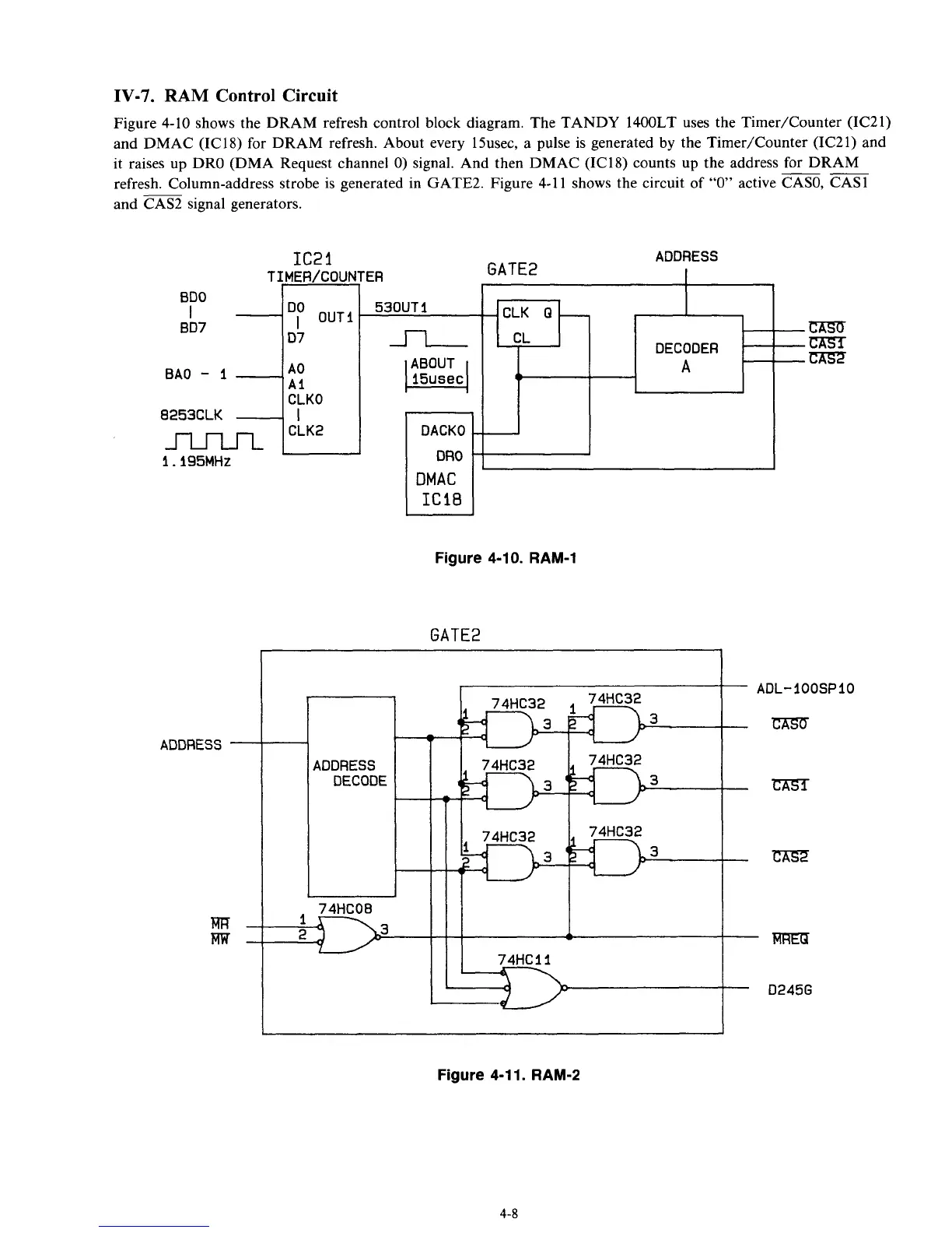
Figure 4-10 shows the DRAM refresh control block diagram. The TANDY 1400LT uses the TimerKounter (IC21)
and DMAC (IC18) for DRAM refresh. About every 15usec, a pulse
is
generated by the Timer/Counter (IC21) and
it raises up DRO (DMA Request channel
0)
signal. And then DMAC (IC18) counts up the address for DRAM
refresh. Column-address strobe is generated in GATE%. Figure 4-1
1
shows
the circuit of
ā€œ0ā€
active CASO, CAS1
and CAS2 signal generators.
--
T
BDO
I
BD7
BAO
-
I
-
8253CLK
-
m
1.195MHz
ADDRESS
-
m-
FW-
IC2
1
UIER/COUN
Dr
OUTI
D7
A0
AI
CLKO
I
CLK2
ADDRESS
GATE2
3
I
I
DACKO
DMAC
IC18
Figure 4-10. RAM-1
GATE2
ADL-IOOSPIO
mm
rn
C7is.2
uKE7l
D245G
Figure 4-1 1. RAM-2
4-
8

Table of Contents

Related product manuals