EasyManua.ls Logo

Tandy 1400LT - DMA Control

Tandy 1400LT
301 pages
Print Icon
To Next Page IconTo Next Page
To Next Page IconTo Next Page
To Previous Page IconTo Previous Page
To Previous Page IconTo Previous Page
Loading...
DMA
Control
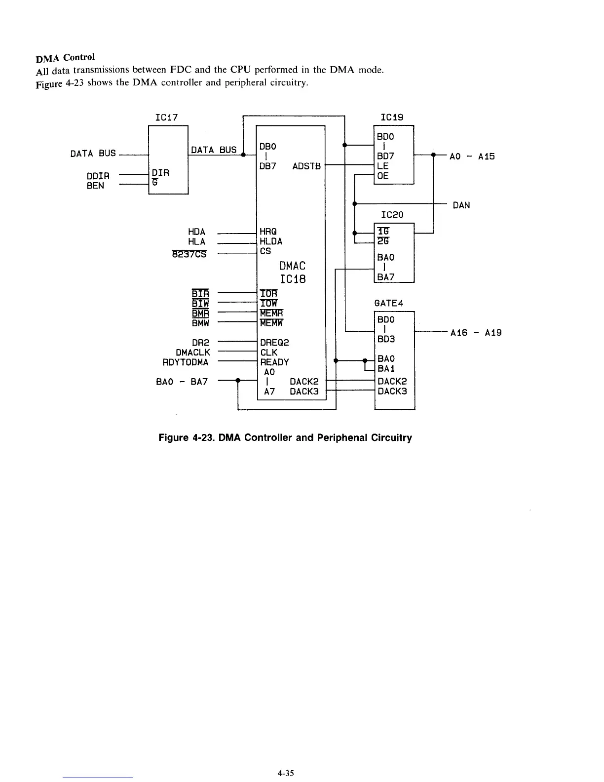
~ll data transmissions between FDC and the CPU performed in the
DMA
mode.
Figure
4-23
shows the DMA controller and peripheral circuitry.
BDO
I
BD7
=
A0
-
A15
LE
-
OE
0
41
DAN
IC20
-3-G
-
-E
BAO
BA7
GATE4
.I
IC17
I
1
IC19
HDA
HLA
8237cs
-
BIR
BIw
@!@
-
BMW
DR2
DMACLK
RDYTODMA
BAO
-
BA7
DATA
BUS
DDIR
BEN
HRQ
HLDA
cs
DMAC
IC18
m
-m
.FIERR
UEmir
DREQ2
CLK
READY
A0
I
DACK2
BDO
I
BD3
BAO
BA
1
DACK2
DACK3
A16
-
A19
Figure
4-23.
DMA
Controller and Periphenal Circuitry
4-35

Table of Contents

Related product manuals