EasyManua.ls Logo

Tandy 1400LT - Clock-Gen.2; Clock-Gen.3

Tandy 1400LT
301 pages
Print Icon
To Next Page IconTo Next Page
To Next Page IconTo Next Page
To Previous Page IconTo Previous Page
To Previous Page IconTo Previous Page
Loading...
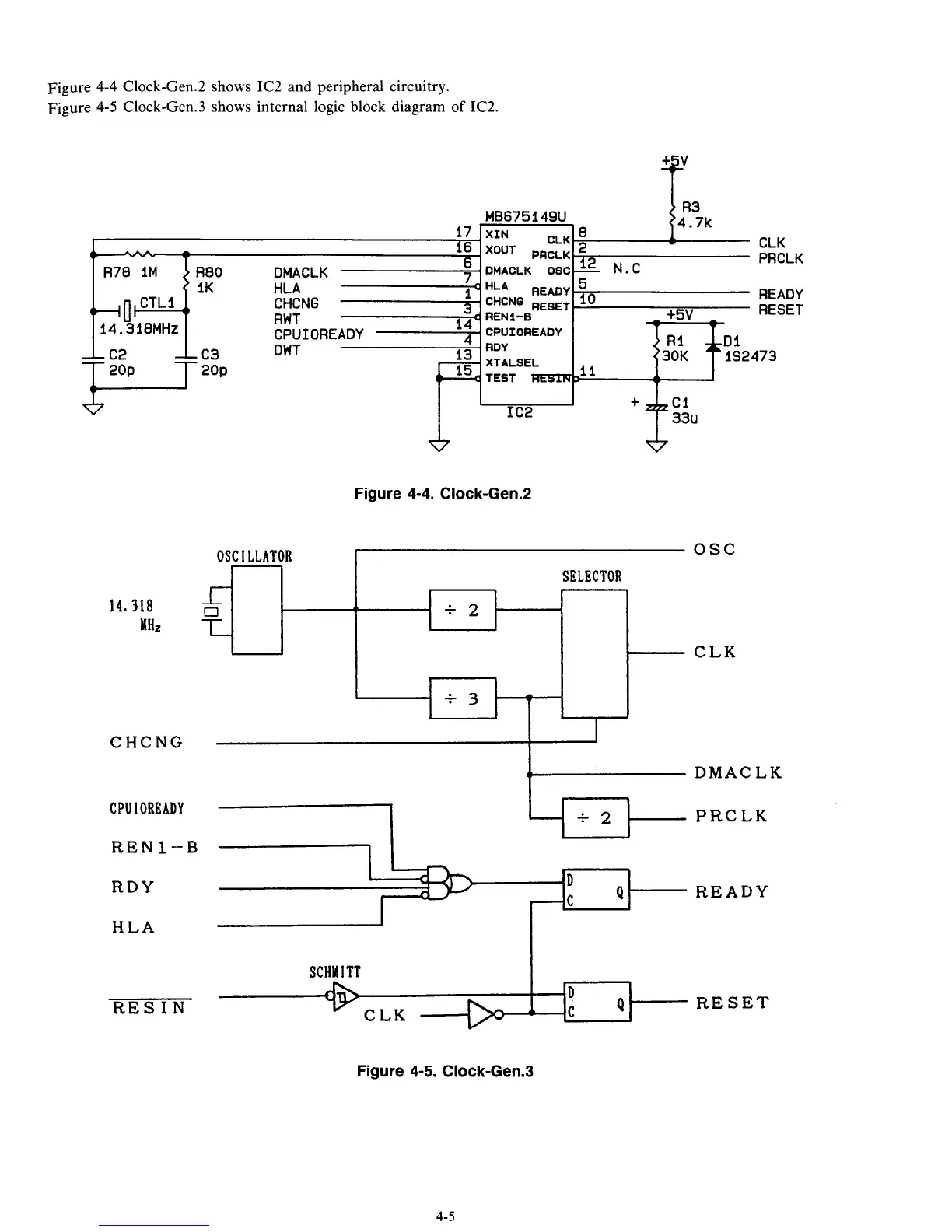
Figure
4-4
Clock-Gen.2 shows IC2 and peripheral circuitry.
Figure
4-5
Clock-Gen.3
shows
internal logic block diagram
of
IC2.
DMACLK
HLA
CHCNG
RWT
CPUIOREADY
411CTL1
"
14.318MHz
OSCILLATOR
0
*
*
SELECTOR
-.
f
2
I
-,
Figure
4-4.
Clock-Gen.2
I
14.318
YHz
RDY
-c
CHCNG
READY
D
0
RESIN CLK
Q'
RESET
D
C
osc
CLK
Figure
4-5.
Clock-Gen.3
4-5

Table of Contents

Related product manuals