EasyManua.ls Logo

Tandy 1400LT - Page 46

Tandy 1400LT
301 pages
Print Icon
To Next Page IconTo Next Page
To Next Page IconTo Next Page
To Previous Page IconTo Previous Page
To Previous Page IconTo Previous Page
Loading...
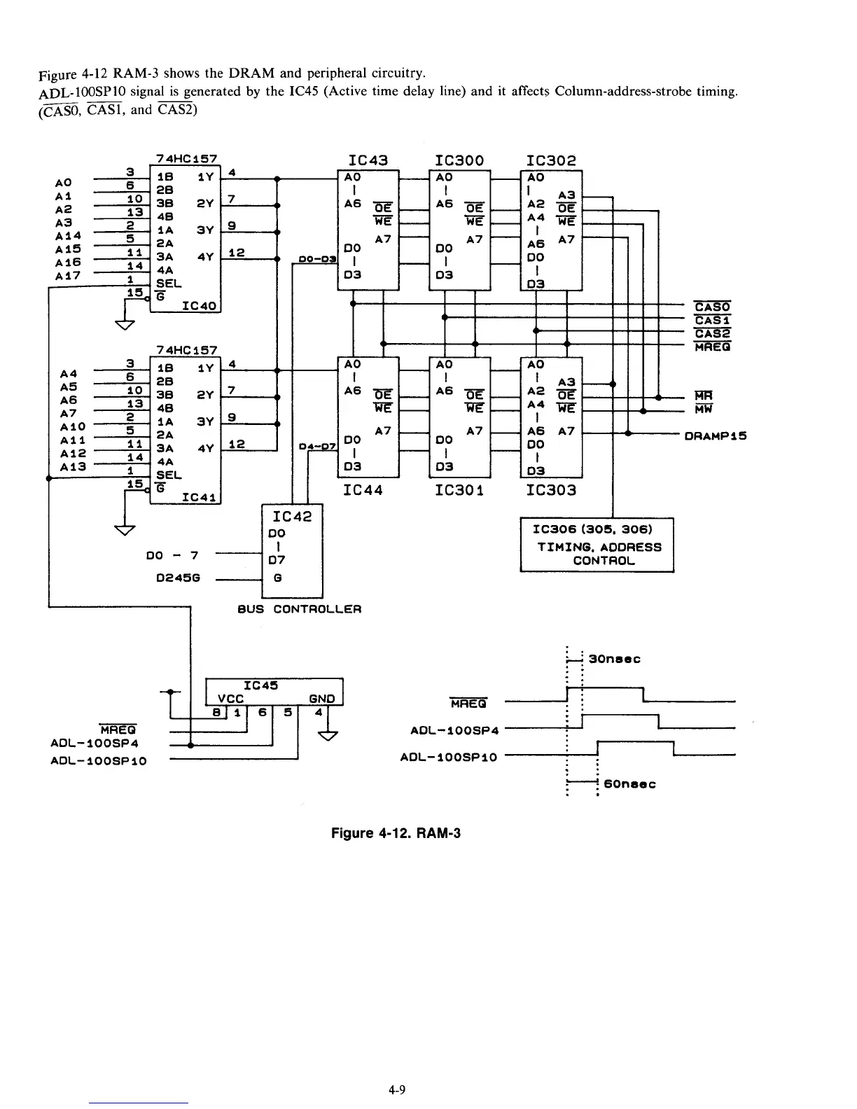
Figure
4-12
RAM-3 shows the DRAM and peripheral circuitry.
ADL-
lOOSP
10
signal is generated by the IC45 (Active time delay line) and it affects Column-address-strobe timing.
(CASO, CAS1, and
a)
--
A0
A1
A2
A3
A14
A
15
A16
P
Ij.
A12
74HC
157
48
1A 3Y
2A
-#=
IC40
*
74HC157
G7,A-L
I
28
38
2Y
48
1A 3Y
2A
3A 4Y
I12
1
IC43 IC300 IC302
A0
A0
1
04-
i
P
CAS0
CAS
1
CAS2
MREQ
-
m
MW
1
A7
-
A7
-
A6 A7.
-
DRAHP
i
5
00
DO
DO
03
03
I
-I
t
4
s
03
I
IC44
IC30
1
IC303
IC306
(305.
306)
TIMING. AODRESS
CONTROL
I
BUS
CONTROLLER
-
30nemc
1
.-
.*
..
-
..
MREQ
-
..
*
MREQ
ADL-100SP4
AOL-1OOSPlO
AOL-lOOSP4
AOL-1OOSPlO
..
..
.-
60naec
..
Figure
4-12.
RAM-3
4-9

Table of Contents

Related product manuals