EasyManua.ls Logo

Tandy 1400LT - Page 196

Tandy 1400LT
301 pages
Print Icon
To Next Page IconTo Next Page
To Next Page IconTo Next Page
To Previous Page IconTo Previous Page
To Previous Page IconTo Previous Page
Loading...
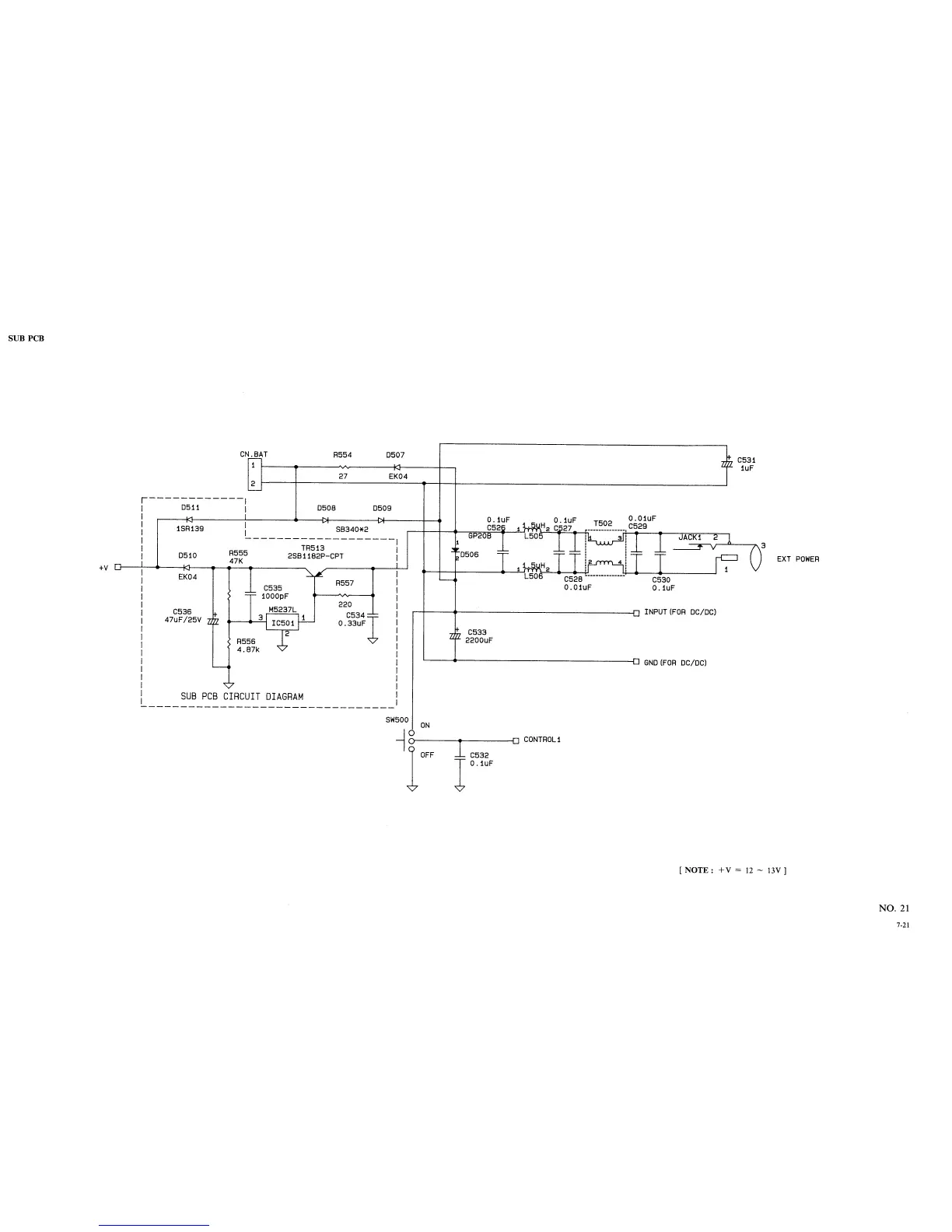
SUB PCB
CN
.BAT
R554 D507
-
U
1-
2'
27 EK04
-
-
r------------
I
I
051
1
I
D508
D509
I
I
I
I
I*
I
I
I
I
I
I
R557
U
I
A
N
N
4
SB340*2
1SR139
O
-
I
I
I
I
R555 2SB 1182P-CPT
I
I
-------------------
TR513
D510
EK04
47K
c53
1
luF
0.
1uF
0.
1uF 0.01uF
T502 C529
C52G
1
'aH2
C227
'.
GP2OB
JACK1
2
PO
513506
i
m
-L
1
i-0
C530
+v
$
==
I
c535
I
1OOOpF
I
I
41
..-
220
M5237L
C536
CONTROL
1
0.
1uF
0.01uF
41
I
I
I
EXT
I
47uF/25V
I
I
I
I
I
POWER
-A
INPUT(F0R
DC/DC)
I
0.33uF
zi+
c533
2200uF
I
I
I
-
GND(F0R
DC/DC)
c534T
:
1
1
31
IC501k
&
&i
R556
'
4.87k
-1
[NOTE:
+V
=
12
-
13V]
I
I
NO.
21
7-2
1
I
I

Table of Contents

Related product manuals