EasyManua.ls Logo

Xerox WorkCentre 5945 - PL 12.60 2 K LCSS bin 0 Entry

Xerox WorkCentre 5945
99 pages
Print Icon
To Next Page IconTo Next Page
To Next Page IconTo Next Page
To Previous Page IconTo Previous Page
To Previous Page IconTo Previous Page
Loading...
February 2016
5-33
Xerox® WorkCentre® 5945 Family
PL 12.60
Parts Lists
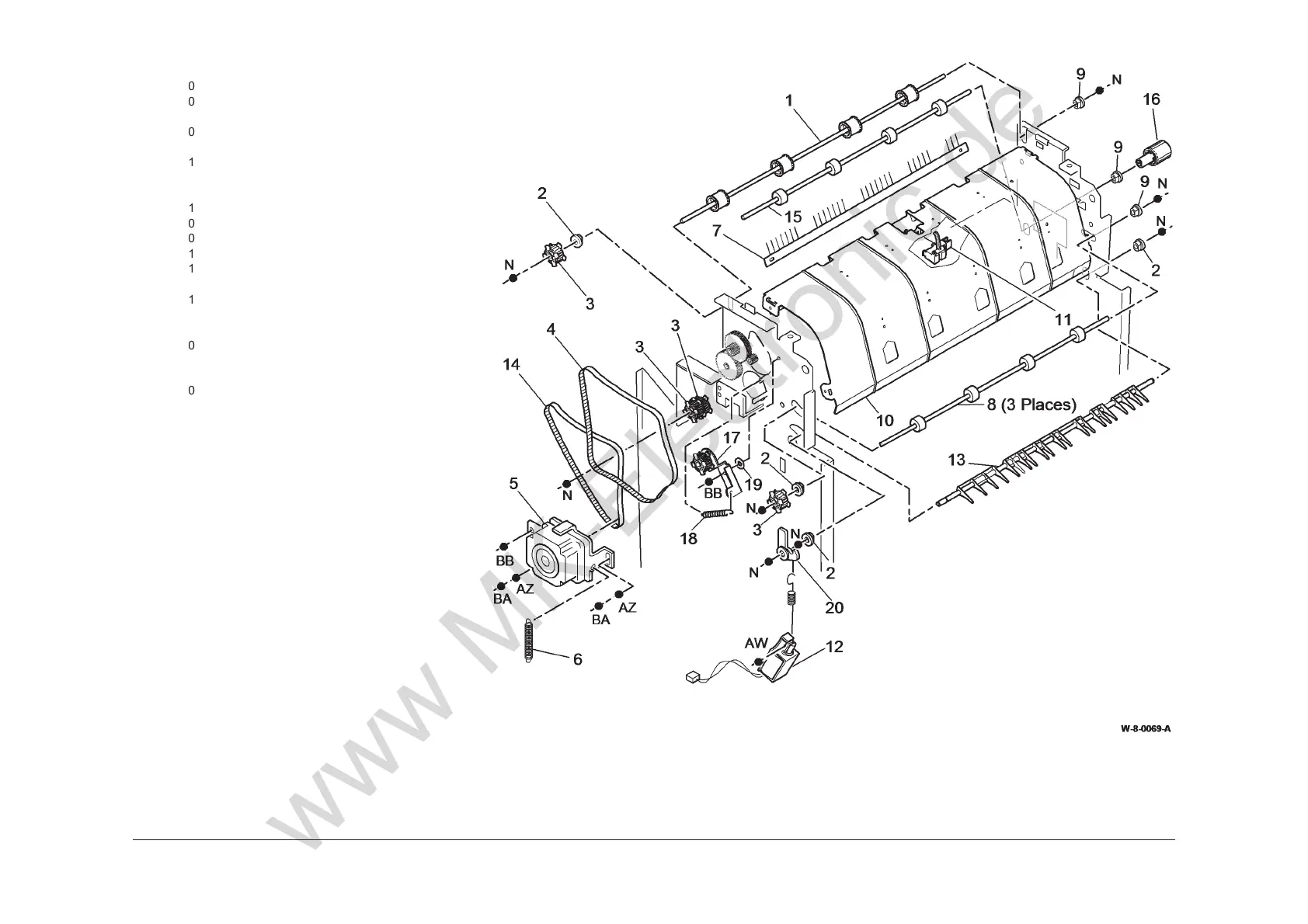
PL 12.60 2K LCSS Bin 0 Entry
Item Part Description
1
006K32810 Top tray exit shaft
2 013E25790 Nylon bearing
3 Pulley (Not Spared)
4 023E24330 Intermediate paper drive belt (REP
12.3-110)
5 127K55870 Transport motor 2 (MOT12-224)
(REP 12.4-110, ADJ 12.4-110)
6 Spring (Not Spared)
7 115E13440 Static eliminator
8 006K32840 Feed roll shaft (short)
9 013E37460 Bearing
10 117K54510 Paper guide (REP 12.20-110)
11 130E11440 Top tray exit sensor (Q12-107)
(REP 12.20-110)
12 121K45010 Exit diverter solenoid (SOL12-225)
13 Exit diverter gate (P/O PL 31.12
Item 14)
14 023E24340 Paper output drive belt (REP 12.4-
110)
15 Drive shaft assembly (Not Spared)
16 006K33960 Jam clearance knob
17 Belt tensioner (Not Spared)
18 Spring (Not Spared)
19 Washer (Not Spared)
20 Actuator (Not Spared)
www MK-Electronic de

Table of Contents

Other manuals for Xerox WorkCentre 5945

Related product manuals