EasyManua.ls Logo

Yamaha FJR1300A(D) - Page 116

Yamaha FJR1300A(D)
662 pages
Print Icon
To Next Page IconTo Next Page
To Next Page IconTo Next Page
To Previous Page IconTo Previous Page
To Previous Page IconTo Previous Page
Loading...
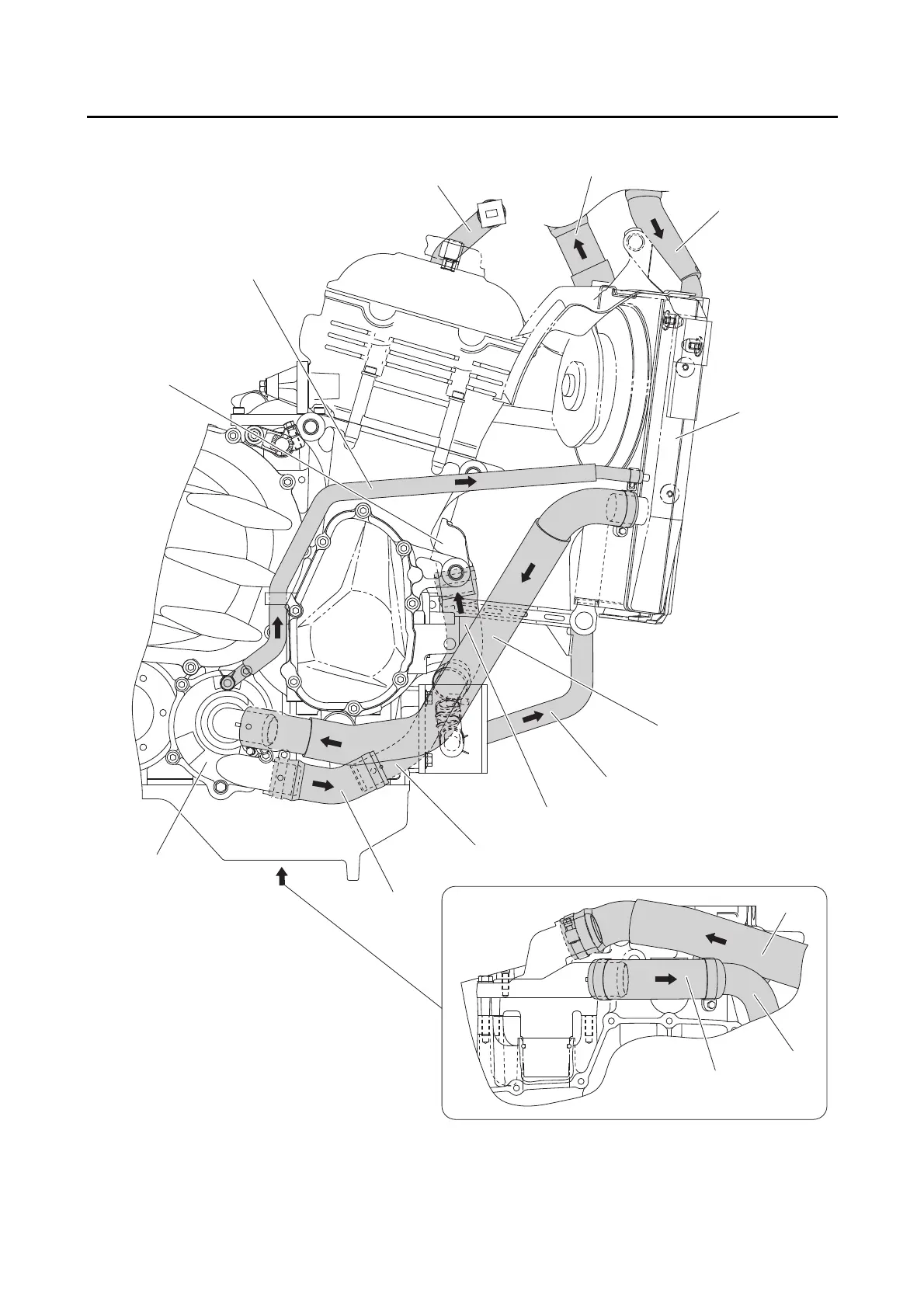
COOLING SYSTEM DIAGRAMS
2-45
7
1
2
3
4
5
5
8
9
6
8
9
10
11
12

Table of Contents

Related product manuals