EasyManua.ls Logo

Yamaha FJR1300A(D) - Electric Starter

Yamaha FJR1300A(D)
662 pages
Print Icon
To Next Page IconTo Next Page
To Next Page IconTo Next Page
To Previous Page IconTo Previous Page
To Previous Page IconTo Previous Page
Loading...
ELECTRIC STARTER
5-39
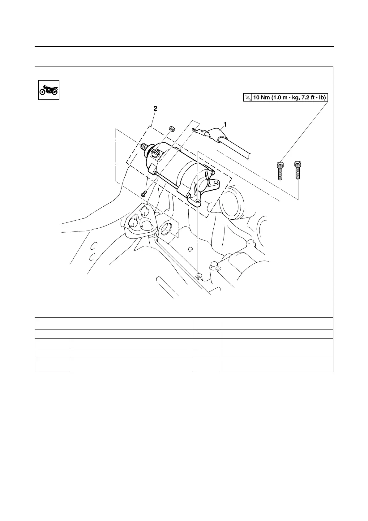
EAS24780
ELECTRIC STARTER
Removing the starter motor
Order Job/Parts to remove Q’ty Remarks
Throttle bodies Refer to “THROTTLE BODIES” on page 7-4.
1 Starter motor lead 1 Disconnect.
2 Starter motor assembly 1
For installation, reverse the removal proce-
dure.

Table of Contents

Related product manuals