EasyManua.ls Logo

Yamaha FJR1300A(D) - Page 536

Yamaha FJR1300A(D)
662 pages
Print Icon
To Next Page IconTo Next Page
To Next Page IconTo Next Page
To Previous Page IconTo Previous Page
To Previous Page IconTo Previous Page
Loading...
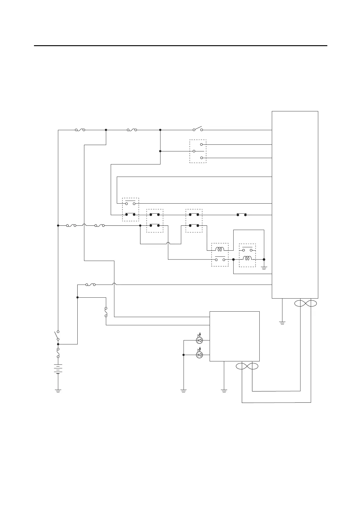
CRUISE CONTROL SYSTEM
8-87
EAS1MC1012
CRUISE CONTROL CIRCUIT OPERATION
21
20
19
18
17
16
151413
12
11
10
76
3
2
1
98
5
4

Table of Contents

Related product manuals